Запчасти Case 570N EP (35.106.AD[04]) - HYDRAULIC PUMP, STANDARD , ASSY - SHIMADZU (35) - HYDRAULIC SYSTEMS

Схема запчастей Case 570N EP - (35.106.AD[04]) - HYDRAULIC PUMP, STANDARD , ASSY - SHIMADZU (35) - HYDRAULIC SYSTEMS
15
2
5
9
2
3
5
3
2
2
12
3
3
15
8
1
10
13
2
2
2
2
13
3
4
7
8
11
3
2
15
15
14
3
3
7
6
FIT
1:1
100%

Артикул

Название

Примечание

Количество

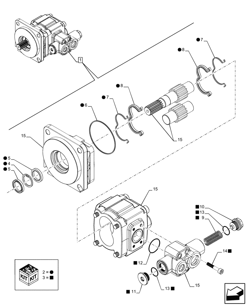
1

48030083

HYDRAULIC PUMP,52.2CC

Assy, Single Hydraulic Pump, Incl 2 - 15, Start Year: 22-OCT-16

1шт.

2

47858385

SERVICE KIT

Single Hydraulic Pump Seals, Incl 4 - 8

1шт.

3

48030674

SERVICE KIT

Priority Valve, Incl 9 - 14

1шт.

4

NSS

NOT SOLD SEPARAT

Ring, Incl in 2

1шт.

5

NSS

NOT SOLD SEPARAT

Seal, Incl in 2

2шт.

6

NSS

NOT SOLD SEPARAT

Gasket, Incl in 2

1шт.

7

NSS

NOT SOLD SEPARAT

Seal, Incl in 2

2шт.

8

NSS

NOT SOLD SEPARAT

Gasket, Incl in 2

2шт.

9

47858437

SPRING

1шт.

10

47858423

PLUG

1шт.

11

48030360

PLUG

Priority Spool

1шт.

12

47858354

O-RING,3.1mm Thk x 34.4mm ID

1шт.

13

47858364

O-RING

2шт.

14

10589621

SCREW,Hex Skt, M6 x 80mm, Cl 8.8

4шт.

15

NSS

NOT SOLD SEPARAT

Body, Incl in 1

1шт.

Выбрано товаров: 15