Запчасти Case 570N EP (35.106.AN[02]) - VAR - 745137 - PTO MOTOR & HOSES (35) - HYDRAULIC SYSTEMS

Схема запчастей Case 570N EP - (35.106.AN[02]) - VAR - 745137 - PTO MOTOR & HOSES (35) - HYDRAULIC SYSTEMS
4
9
18
16
6
7
2
3
10
15
3
13
19
8
5
5
17
12
2
14
11
35.106.an 04
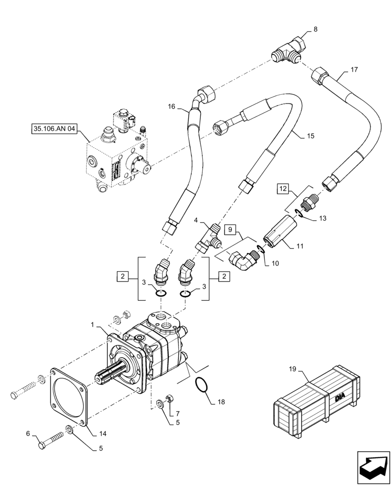
1
FIT
1:1
100%

Артикул

Название

Примечание

Количество

1

47535367

HYDRAULIC MOTOR

PTO

1шт.

See Fig 35.106.AN (03) For Service Parts

1шт.

2

330344

45 ELBOW,1-1/16" - 12 JIC x 1-1/16" - 12 ORB

Incl 3

2шт.

3

167266

O-RING,0.116" Thk x 0.924" ID, -912, Cl 6, 90 Duro

2шт.

4

265978

TEE,1-1/16" - 12 JIC x 1-1/16" - 12 JIC x 1-1/16" - 12 JIC

1шт.

5

87655043

WASHER,M12, 13.65mm ID x 24.90mm OD x 3.20mm, HT Boron, ZNM

8шт.

6

350460

BOLT,Hex, M12 x 1.75 x 75mm, Cl 8.8

4шт.

7

337475

NUT,M12, Cl 10

4шт.

8

9618946

TEE,37 Degree, 1 5/16"-12 x 1 5/16"-12, Fem Sw Run

1шт.

9

87612750

90 ELBOW,3/4" JIC x 1-1/16" - 12 ORB

Incl 10

1шт.

10

167266

O-RING,0.116" Thk x 0.924" ID, -912, Cl 6, 90 Duro

1шт.

11

47569725

CHECK VALVE

Inline

1шт.

12

322896

HYD CONNECTOR,1-1/16" - 12 ORB x 1-1/16" - 12 JIC

Incl 13

1шт.

13

167266

O-RING,0.116" Thk x 0.924" ID, -912, Cl 6, 90 Duro

1шт.

14

47615309

BRACKET

PTO Motor

1шт.

15

47616541

HYDRAULIC HOSE,19mm ID x 620mm L, SAE 100R16

Valve To Flow Control Valve

1шт.

16

47616714

HYDRAULIC HOSE,19mm ID x 525mm L, SAE 100R6

Flow Control To Loader Valve Return

1шт.

17

47616741

HYDRAULIC HOSE,19mm ID x 565mm L, SAE 100R6

Flow Control To Loader Valve Return

1шт.

18

47611910

SEAL

Kit, Services Ref 1

1шт.

19

47618448

KIT

DIA Kit, PTO (Order from Wholegoods Only) Incl 1 - 14

1шт.

To See the Full DIA Kit Composition Look For All the Figures Where the DIA Kit P/N is Shown

1шт.

Выбрано товаров: 0