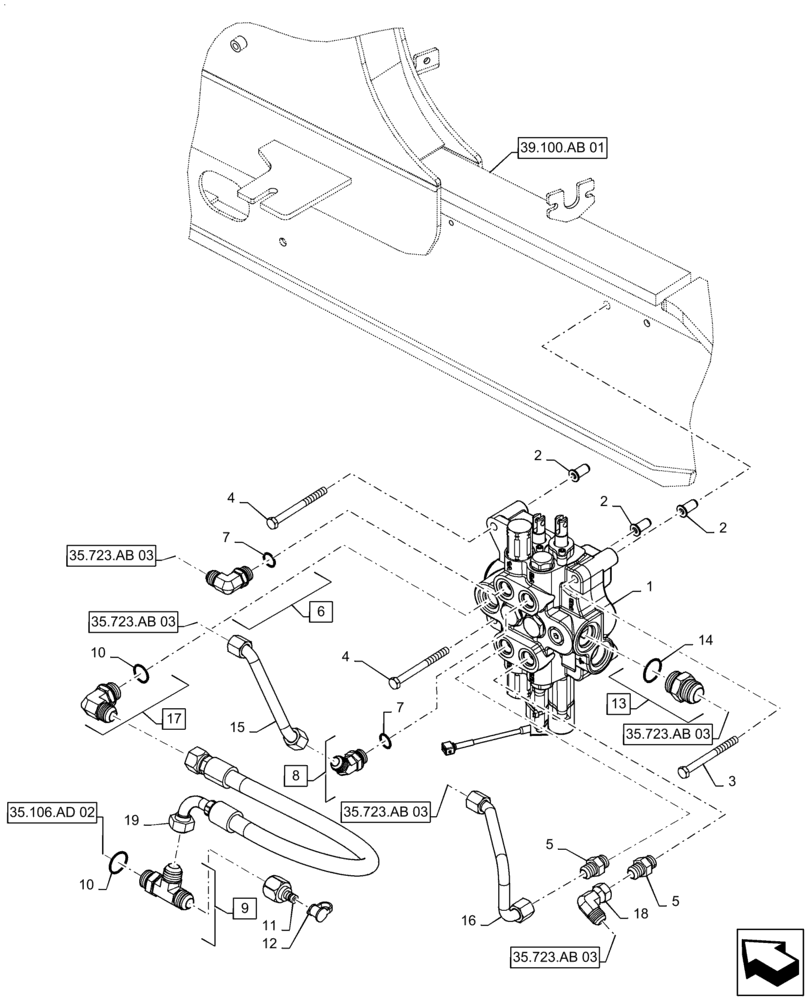
Запчасти Case 570N EP (35.359.AB[01]) - LOADER CONTROL VALVE, 2 SPOOL - W/PARKER PUMP (35) - HYDRAULIC SYSTEMS

Схема запчастей Case 570N EP - (35.359.AB[01]) - LOADER CONTROL VALVE, 2 SPOOL - W/PARKER PUMP (35) - HYDRAULIC SYSTEMS
4
12
1
5
14
35.723.ab 03
10
7
2
10
11
35.723.ab 03
2
7
35.723.ab 03
35.723.ab 03
15
35.723.ab 03
39.100.ab 01
6
13
3
18
19
9
16
2
35.106.ad 02
4
17
8
5
FIT
1:1
100%

Артикул

Название

Примечание

Количество

1

47603157

VALVE

2 Spool, Loader

1шт.

2

87417721

THREADED INSERT,M10 x 1.5-6H x 29 L

3шт.

3

86508573

BOLT,Hex, M10 x 110mm, Cl 8.8

1шт.

4

120074

BOLT,Hex, M10 x 90, 8.8

2шт.

5

87301330

HYD CONNECTOR,7/8" - 14 ORB x 7/8" - 14 JIC

2шт.

6

164910

90 ELBOW,7/8" - 14 JIC x 7/8" - 14 ORB

Incl 7

1шт.

7

167269

O-RING,0.097" Thk x 0.755" ID, -910, Cl 6, 90 Duro

2шт.

8

330345

45 ELBOW,45 Degree, 7/8"-14 x 7/8"-14, O-Ring

Incl 7

1шт.

9

219604

TEE,1-1/16" - 12 ORB x 1-1/16" - 12 JIC x 1-1/16" - 12 JIC

Incl 10

1шт.

10

167266

O-RING,0.116" Thk x 0.924" ID, -912, Cl 6, 90 Duro

1шт.

11

D137625

QUICK MALE COUPLING,1 - 1/16" - 12UNF - 2B ID

Disconnect

1шт.

12

H434163

DUST CAP

1шт.

13

378970

HYD CONNECTOR,1-5/16" - 12 ORB x 1-5/16" - 12 JIC

Incl 14

1шт.

14

167268

O-RING,0.116" Thk x 1.171" ID, -916, Cl 6, 90 Duro

1шт.

15

84380643

TUBE

Loader Lift, Port B

1шт.

16

84380579

TUBE

Loader Lift, Port A

1шт.

17

322894

90 ELBOW,1-1/16" - 12 JIC x 1-1/16" - 12 ORB

Incl 10

1шт.

18

182977

90 ELBOW,90 Degree, 7/8"-14, 37 Degree x 7/8"-14, 37 Degree Fem Sw

1шт.

19

87452399

HYDRAULIC HOSE,1 1/16" - 12 JIC, 90 Degree, 775mm L

Rear Pump Section, Pressure

1шт.

Выбрано товаров: 19