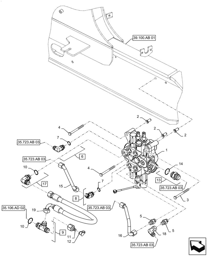
Запчасти Case 570N EP (35.359.AB[01a]) - LOADER CONTROL VALVE, 2 SPOOL - W/SHIMADZU PUMP - START APR 2016 (35) - HYDRAULIC SYSTEMS

Схема запчастей Case 570N EP - (35.359.AB[01a]) - LOADER CONTROL VALVE, 2 SPOOL - W/SHIMADZU PUMP - START APR 2016 (35) - HYDRAULIC SYSTEMS
39.100.ab 01
10
2
19
1
8
2
7
14
5
11
4
9
18
7
3
16
15
5
13
4
6
2
12
17
10
35.723.ab 03
35.723.ab 03
35.723.ab 03
35.723.ab 03
35.723.ab 03
35.106.ad 02
FIT
1:1
100%

Артикул

Название

Примечание

Количество

1

47603157

VALVE

2 Spool, Loader

1шт.

2

87417721

THREADED INSERT,M10 x 1.5-6H x 29 L

3шт.

3

86508573

BOLT,Hex, M10 x 110mm, Cl 8.8

1шт.

4

120074

BOLT,Hex, M10 x 90, 8.8

2шт.

5

87301330

HYD CONNECTOR,7/8" - 14 ORB x 7/8" - 14 JIC

2шт.

6

164910

90 ELBOW,7/8" - 14 JIC x 7/8" - 14 ORB

Incl 7

1шт.

7

167269

O-RING,0.097" Thk x 0.755" ID, -910, Cl 6, 90 Duro

2шт.

8

330345

45 ELBOW,45 Degree, 7/8"-14 x 7/8"-14, O-Ring

Incl 7

1шт.

9

265978

TEE,1-1/16" - 12 JIC x 1-1/16" - 12 JIC x 1-1/16" - 12 JIC

Used with Shimadzu Pump, Start Year: 01-MAR-16

1шт.

9

219605

ELBOW,45 Degree, 1 1/16"-12, 37 Degree x 1 1/16"-12, 37 Degree Fem Sw

Used with Shimadzu Pump Between Hose Ref 19 and Tee Ref 9, Start Year: 01-MAR-16

1шт.

10

167266

O-RING,0.116" Thk x 0.924" ID, -912, Cl 6, 90 Duro

1шт.

11

D137625

QUICK MALE COUPLING,1 - 1/16" - 12UNF - 2B ID

Disconnect

1шт.

12

H434163

DUST CAP

1шт.

13

378970

HYD CONNECTOR,1-5/16" - 12 ORB x 1-5/16" - 12 JIC

Incl 14

1шт.

14

167268

O-RING,0.116" Thk x 1.171" ID, -916, Cl 6, 90 Duro

1шт.

15

84380643

TUBE

Loader Lift, Port B

1шт.

16

84380579

TUBE

Loader Lift, Port A

1шт.

17

322894

90 ELBOW,1-1/16" - 12 JIC x 1-1/16" - 12 ORB

Used with Shimadzu Pump, Incl 10, Start Year: 01-MAR-16

2шт.

18

182977

90 ELBOW,90 Degree, 7/8"-14, 37 Degree x 7/8"-14, 37 Degree Fem Sw

1шт.

19

47944187

HYDRAULIC HOSE,19mm ID x 625mm L

Rear Pump Section, Pressure, Used with Shimadzu Pump, Start Year: 01-MAR-16

1шт.

Выбрано товаров: 20