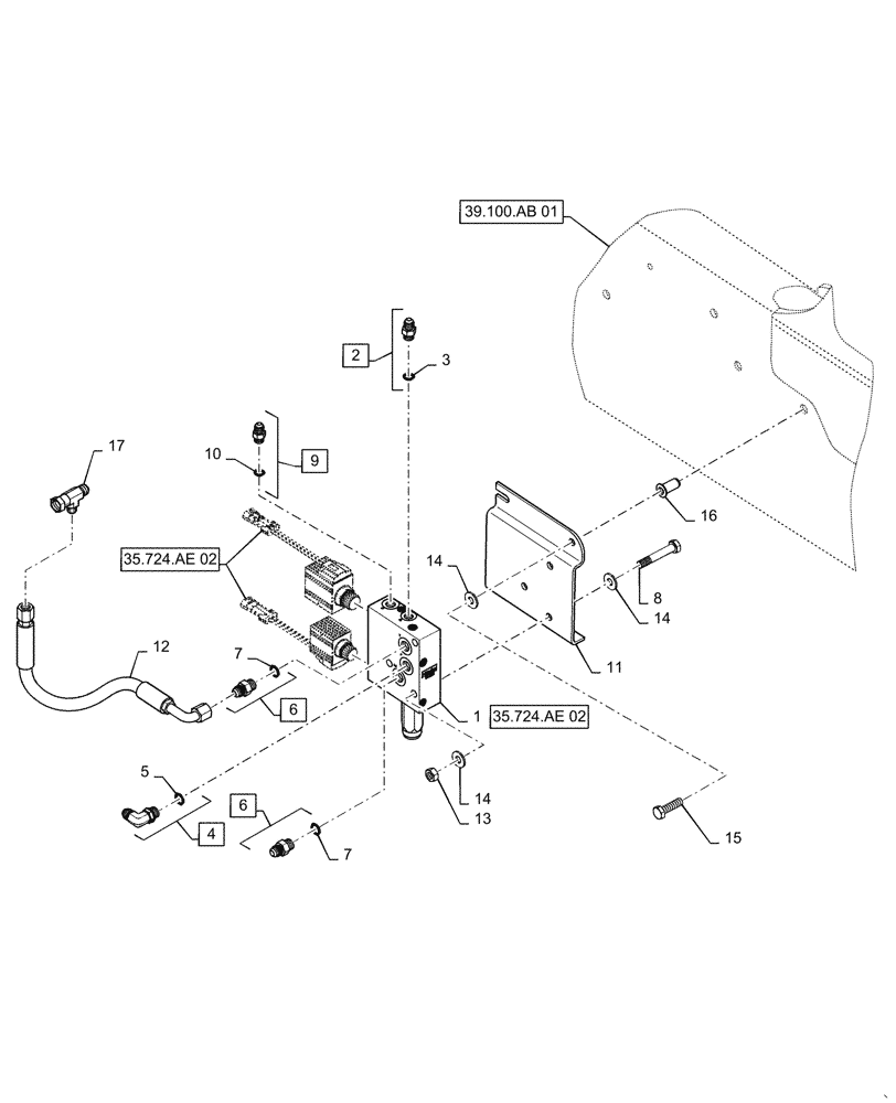
Запчасти Case 570N EP (35.525.AI[01]) - VAR - 423049 - FRONT LOADER COUPLER VALVE MOUNTING (35) - HYDRAULIC SYSTEMS

Схема запчастей Case 570N EP - (35.525.AI[01]) - VAR - 423049 - FRONT LOADER COUPLER VALVE MOUNTING (35) - HYDRAULIC SYSTEMS
35.724.ae 02
17
6
7
13
4
12
8
14
15
14
5
16
3
7
11
6
10
2
14
9
1
39.100.ab 01
35.724.ae 02
FIT
1:1
100%

Артикул

Название

Примечание

Количество

1

87435909

SOLENOID VALVE

Hydraulic, Single

1шт.

2

265235

HYD CONNECTOR,7/16" - 20 ORB x 7/16" - 20 JIC

Incl 3

1шт.

3

165202

O-RING,0.072" Thk x 0.351" ID, -904, Cl 6, 90 Duro

Incl in 2

1шт.

4

76344

90 ELBOW,9/16" - 18 JIC x 9/16" - 18 ORB

Incl 5

1шт.

4

76344

90 ELBOW,9/16" - 18 JIC x 9/16" - 18 ORB

Used on Shimadzu Pump, Incl 5, Start Year: 01-MAR-16

2шт.

5

9617873

O-RING,0.078" Thk x 0.468" ID, -906, Cl 6, 90 Duro

Incl in 4

1шт.

6

76350

HYD CONNECTOR,9/16" - 18 ORB x 9/16" - 18 JIC

Incl 7

2шт.

6

76350

HYD CONNECTOR,9/16" - 18 ORB x 9/16" - 18 JIC

Used on Shimadzu Pump, Incl 7, Start Year: 01-MAR-16

1шт.

7

9617873

O-RING,0.078" Thk x 0.468" ID, -906, Cl 6, 90 Duro

Incl in 6

2шт.

8

120070

BOLT,Hex, M10 x 1.5 x 60mm, Cl 8.8

2шт.

9

47765

HYD CONNECTOR,1/2"-20, 37º x 1/2"-20, O-Ring

Incl 10

1шт.

10

129270

O-RING,0.072" Thk x 0.414" ID, -905, Cl 6, 90 Duro

Incl in 9

1шт.

11

84275116

BRACKET

Coupler Valve

1шт.

12

47608227

HYDRAULIC HOSE,10mm ID x 310mm L

Coupler To Return

1шт.

12

47933363

HYDRAULIC HOSE,10mm ID, 387mm L, SAE100R6

Coupler To Return, Both Ends are 90 deg, Used on Shimadzu Pump, Start Year: 01-MAR-16

1шт.

13

86500689

NUT,M10 x 1.5, Cl 10

2шт.

14

87655046

SPECIAL WASHER,10.65mm ID x 23mm OD x 2.2mm Thk

4шт.

15

9706704

BOLT,Hex, M10 x 1.5 x 41.58mm, Cl 8.8

2шт.

16

87417721

THREADED INSERT,M10 x 1.5-6H x 29 L

2шт.

17

86632549

TEE,37 Degree, 7/8"-14 x 7/8"-14, Fem Sw Run x 3/4"-16 Br

1шт.

Выбрано товаров: 20