Запчасти Case 570N EP (50.100.AC[01]) - VAR 747852, 747853 - HEATER HOSES (50) - CAB CLIMATE CONTROL

Схема запчастей Case 570N EP - (50.100.AC[01]) - VAR 747852, 747853 - HEATER HOSES (50) - CAB CLIMATE CONTROL
10.001.ad 01
4
4
1
8
9
7
8
4
4
10
4
11
3
3
8
6
2
5
12
50.100.ac 02
50.100.ac 02
FIT
1:1
100%

Артикул

Название

Примечание

Количество

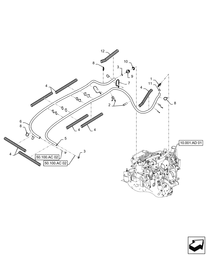
1

87686604

SHUT-OFF VALVE

Heater

1шт.

2

D88052

CLAMP,25.4mm ID, 10.31mm Bolt Hole, P Type

Hose

2шт.

3

214-1410

HOSE CLAMP,#10, 0.56" - 1.06", Type F Worm

, Years: -01-MAR-16

4шт.

3

328186A1

HOSE CLAMP,400mm L

, Start Year: 01-MAR-16

2шт.

4

D132982

PADDLE,26.87mm ID x 400mm L

Hose Guard

5шт.

5

84467377

HOSE

Heater Return

1шт.

6

225713A1

LARGE HOSE,15.88 mm ID x 2400.00 mm, SAE J20, SAE 20R3

Heater Supply

1шт.

7

L18331

CABLE TIE,375.9mm L, Nylon, Black

2шт.

8

L11541

CABLE TIE,203.2mm L, Nylon

16шт.

9

84498259

STEM

Bead Hose, Years: -01-MAR-16

1шт.

9

47966470

ADAPTER

Bead Hose, Start Year: 01-MAR-16

1шт.

10

99469380

GASKET,33mm ID x 45mm OD x 2.8mm Thk

1шт.

11

328186A1

HOSE CLAMP,400mm L

2шт.

12

87726951

HOSE PROTECTION,26.3mm ID x 1200mm L

1шт.

Выбрано товаров: 0