Запчасти Case 570N EP (55.100.DP[03]) - VAR - 745137 - PTO JUMPER HARNESS MOUNTING (55) - ELECTRICAL SYSTEMS

Схема запчастей Case 570N EP - (55.100.DP[03]) - VAR - 745137 - PTO JUMPER HARNESS MOUNTING (55) - ELECTRICAL SYSTEMS
2
6
90.160.by 01
4
5
7
3
39.100.ab 01
1
FIT
1:1
100%

Артикул

Название

Примечание

Количество

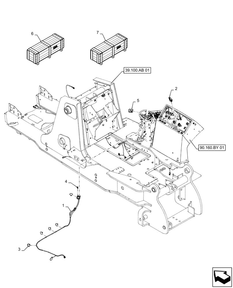
1

47512854

WIRE HARNESS

PTO Jumper

1шт.

See Fig 55.100.DP (07) For Service Parts

1шт.

2

47541904

ROCKER SWITCH

PTO

1шт.

3

L11541

CABLE TIE,203.2mm L, Nylon

6шт.

4

84386626

WIRE CONNECTOR

Bracket Clip

1шт.

5

84271717

RELAY,12V, 50A

1шт.

6

47618448

KIT

DIA Kit, PTO (Order from Wholegoods Only) Incl 1 - 5

1шт.

To See the Full DIA Kit Composition Look For All the Figures Where the DIA Kit P/N is Shown

1шт.

7

47634751

KIT

DIA Kit, Hi Flow Aux (Order from Wholegoods Only) Incl 1 - 5

1шт.

To See the Full DIA Kit Composition Look For All the Figures Where the DIA Kit P/N is Shown

1шт.

Выбрано товаров: 0