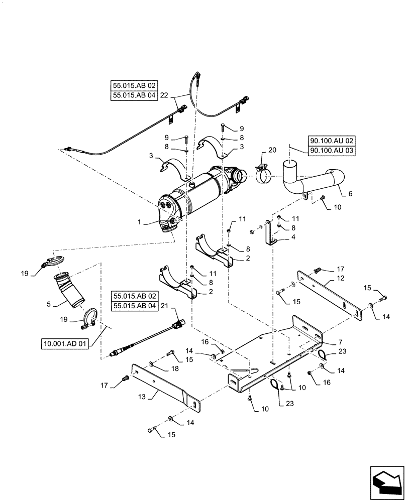
Запчасти Case 570N EP (10.500.AO[01]) - SCR MUFFLER & MOUNTING PARTS (10) - ENGINE

Схема запчастей Case 570N EP - (10.500.AO[01]) - SCR MUFFLER & MOUNTING PARTS (10) - ENGINE
3
15
14
19
8
3
16
14
8
17
55.015.ab 02
8
13
11
15
8
1
14
14
2
7
11
22
9
10
6
15
10
12
21
17
55.015.ab 04
4
90.100.au 02
90.100.au 03
2
10.001.ad 01
55.015.ab 04
8
11
18
9
16
20
15
5
23
55.015.ab 02
23
10
19
FIT
1:1
100%

Артикул

Название

Примечание

Количество

1

47618234

CATALYST

Particulate Matter, PMCAT

1шт.

Inner Components not Serviced Separately

1шт.

2

47520912

SUPPORT

Clamp, PMCAT Base

2шт.

3

47520915

COLLAR CLAMP

PMCAT

2шт.

4

47520919

BRACKET

Support, PMCAT Outlet

1шт.

5

47498724

TUBE

Exhaust, Flex Coupler W/Lambda Uhego Sensor, Years: -15-APR-15

1шт.

5

47849405

EXHAUST SYSTEM PIPE

Exhaust, Flex Coupler W/O Lambda Uhego Sensor, Start Year: 15-APR-15

1шт.

6

47633230

PIPE

PMCAT Outlet

1шт.

7

47611118

SUPPORT

Platform, PMCAT

1шт.

8

895-11008

WASHER,9mm ID x 16mm OD x 1.6mm Thk

8шт.

9

814-8035

BOLT,Hex, M8 x 1.25 x 35mm, Cl 8.8

2шт.

10

811-8020

CARRIAGE BOLT,Sht Sq Nk, M8 x 1.25 x 20mm, Cl 8.8

6шт.

11

829-1408

NUT,Hex, M8 x 1.25, Cl 10.9

6шт.

12

84413384

BRACKET

DPF, LH

1шт.

13

84413387

BRACKET

DPF, RH

1шт.

14

896-15010

WASHER,11mm ID x 24mm OD x 3mm Thk

6шт.

15

614-10035

BOLT,Hex, M10 x 1.5 x 35mm, Cl 8.8, Full Thd

7шт.

16

829-1410

NUT,M10 x 1.5, Cl 10.9

3шт.

17

87417721

THREADED INSERT,M10 x 1.5-6H x 29 L

4шт.

18

895-11010

WASHER,11mm ID x 20mm OD x 2mm Thk

4шт.

19

84409146

PIPE CLAMP,63.5mm - 70mm

Hose, Exhaust

2шт.

20

47546634

PIPE CLAMP,65.3mm ID

Exhaust Band

1шт.

21

84286040

SENSOR

Catalyst

1шт.

22

47478894

TEMPERATURE SENDER,50mm L

EGT

2шт.

23

L11541

CABLE TIE,203.2mm L, Nylon

4шт.

Выбрано товаров: 25