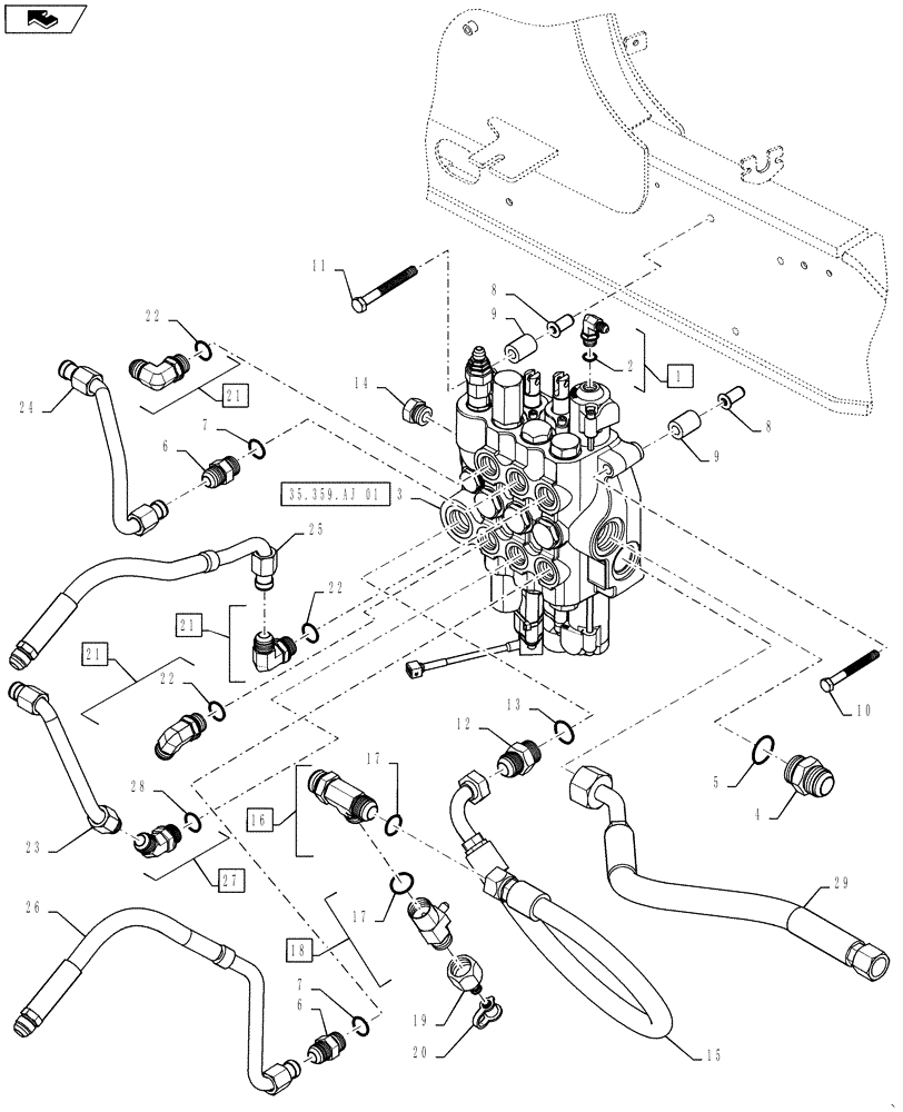
Запчасти Case 570NXT (35.359.AJ) - 3 SPOOL VALVE LOADER CONTROL MOUNTING (35) - HYDRAULIC SYSTEMS

Схема запчастей Case 570NXT - (35.359.AJ) - 3 SPOOL VALVE LOADER CONTROL MOUNTING (35) - HYDRAULIC SYSTEMS
home
8
18
5
11
6
4
25
9
26
6
15
8
2
7
3
21
22
22
21
22
35.359.aj 01
29
10
14
24
9
13
17
20
21
12
16
19
17
27
7
23
1
28
FIT
1:1
100%

Артикул

Название

Примечание

Количество

1

86512934

90 ELBOW,90 Degree, 7/16"-20, 37 Degree x 9/16"-18, O-Ring

Incl O-Ring

1шт.

2

9617873

O-RING,0.078" Thk x 0.468" ID, -906, Cl 6, 90 Duro

1шт.

3

87593382

HYDRAULIC VALVE

Loader 3 Spool

1шт.

4

378970

HYD CONNECTOR,1-5/16" - 12 ORB x 1-5/16" - 12 JIC

Does Not Incl O-Ring

1шт.

5

167268

O-RING,0.116" Thk x 1.171" ID, -916, Cl 6, 90 Duro

1шт.

6

87301330

HYD CONNECTOR,7/8" - 14 ORB x 7/8" - 14 JIC

Does Not Incl O-Ring

2шт.

7

167269

O-RING,0.097" Thk x 0.755" ID, -910, Cl 6, 90 Duro

1шт.

8

87417721

THREADED INSERT,M10 x 1.5-6H x 29 L

M10 X 1.5

3шт.

9

87417599

SPACER,11mm ID x 22mm OD x 30mm Thk

Loader Valve Mounting

3шт.

10

86508573

BOLT,Hex, M10 x 110mm, Cl 8.8

1шт.

11

120074

BOLT,Hex, M10 x 90, 8.8

2шт.

12

322896

HYD CONNECTOR,1-1/16" - 12 ORB x 1-1/16" - 12 JIC

Does Not Incl O-Ring

1шт.

13

167266

O-RING,0.116" Thk x 0.924" ID, -912, Cl 6, 90 Duro

1шт.

14

86512512

PLUG,7/8" - 14 ORB

1шт.

15

87452399

HYDRAULIC HOSE,1 1/16" - 12 JIC, 90 Degree, 775mm L

Rear pump Suction

1шт.

16

219604

TEE,1-1/16" - 12 ORB x 1-1/16" - 12 JIC x 1-1/16" - 12 JIC

Incl O-Ring

1шт.

17

167266

O-RING,0.116" Thk x 0.924" ID, -912, Cl 6, 90 Duro

1шт.

18

218-5411

TEE,37 Degree, 7/8"-14 x 3/4"-16, Fem Sw Run x 7/16"-20 Br

Incl O-Ring

1шт.

19

D137625

QUICK MALE COUPLING,1 - 1/16" - 12UNF - 2B ID

Disconnect

1шт.

20

H434163

DUST CAP

Coupling

1шт.

21

164910

90 ELBOW,7/8" - 14 JIC x 7/8" - 14 ORB

Incl O-Ring

3шт.

22

167269

O-RING,0.097" Thk x 0.755" ID, -910, Cl 6, 90 Duro

1шт.

23

84380643

TUBE

Loader Lift Port B

1шт.

24

84380579

TUBE

Loader Lift Port A

1шт.

25

84378695

TUBE

4 N1 Port A

1шт.

26

84378774

TUBE

4 N1 Port B

1шт.

27

330345

45 ELBOW,45 Degree, 7/8"-14 x 7/8"-14, O-Ring

Incl O-Ring

1шт.

28

167269

O-RING,0.097" Thk x 0.755" ID, -910, Cl 6, 90 Duro

1шт.

29

84484113

HOSE ASSY.,19mm ID x 555mm L, SAE 100R6

Flow Control To Loader Valve

1шт.

Выбрано товаров: 29