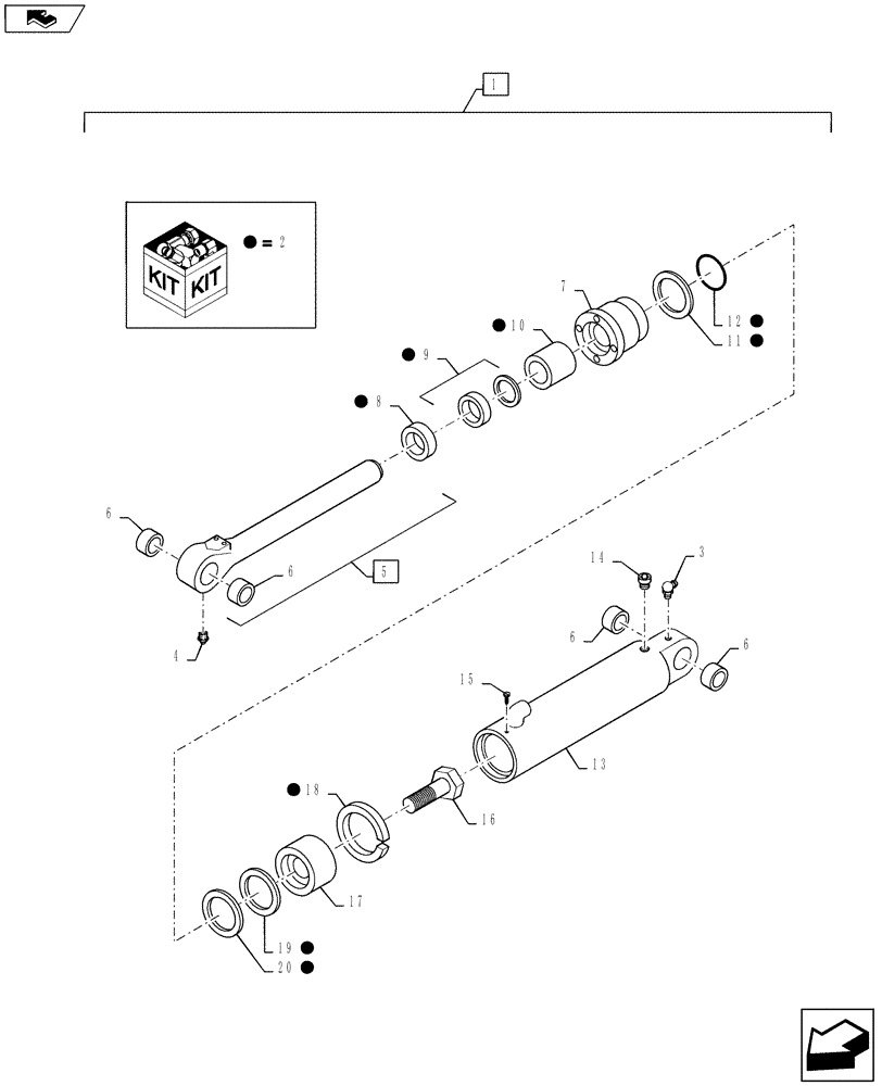
Запчасти Case 570NXT (35.723.AA) - FRONT LOADER HYDRAULIC SYSTEM BUCKET CYLINDER RH (35) - HYDRAULIC SYSTEMS

Схема запчастей Case 570NXT - (35.723.AA) - FRONT LOADER HYDRAULIC SYSTEM BUCKET CYLINDER RH (35) - HYDRAULIC SYSTEMS
13
15
19
12
9
4
2
2
7
2
6
12
8
17
12
10
2
20
3
11
18
1
6
14
16
home
6
6
12
5
12
12
12
FIT
1:1
100%

Артикул

Название

Примечание

Количество

1

87455459

HYDRAULIC CYLINDER,Double Acting, 44.4mm Rod, 76.2mm Bore, 230.6mm Stroke

RH Incl 2 - 20

1шт.

2

86982377

SEAL KIT

Incl 8 - 12, 18 - 20

1шт.

3

219-55

LUBE NIPPLE,90 Degree Elbow, 1/8" - 27 NPTF

1шт.

4

219-1

LUBE NIPPLE,1/8" - 27 NPTF

1шт.

5

1346195C1

PISTON ROD

Incl 6

1шт.

6

30634

BUSHING,32.05mm ID x 38.18mm OD x 17.6mm L

1.25 X 12 X 69

4шт.

7

297281A1

GLAND

Packing

1шт.

8

NSS

NOT SOLD SEPARAT

Seal Incl in 2

1шт.

9

NSS

NOT SOLD SEPARAT

Seal Incl in 2

1шт.

10

NSS

NOT SOLD SEPARAT

Bushing Incl in 2

1шт.

11

NSS

NOT SOLD SEPARAT

Ring Incl in 2

1шт.

12

NSS

NOT SOLD SEPARAT

O-Ring Incl in 2

1шт.

13

NSS

NOT SOLD SEPARAT

Barrel Incl in 1

1шт.

14

353-780

PLUG,Sltd Hd, 7/8"-14, w/O-Ring

2шт.

15

G109395

SELF-TAP SCREW,Hex, #8 - 32 x 3/8"

Locking

1шт.

16

86982437

BOLT,Sems, Hex, 1" - 14 x 2.50"

Barrel

1шт.

17

1340798C1

PISTON,76.2mm Bore, 44.4mm Rod, 37.85mm W

Cylinder

1шт.

18

NSS

NOT SOLD SEPARAT

Seal Incl in 2

1шт.

19

NSS

NOT SOLD SEPARAT

Seal Incl in 2

1шт.

20

NSS

NOT SOLD SEPARAT

Wear Ring Incl in 2

1шт.

Выбрано товаров: 20