Запчасти Case 570NXT (50.200.AB) - AIR CONDITIONER HOSES (50) - CAB CLIMATE CONTROL

Схема запчастей Case 570NXT - (50.200.AB) - AIR CONDITIONER HOSES (50) - CAB CLIMATE CONTROL
9
home
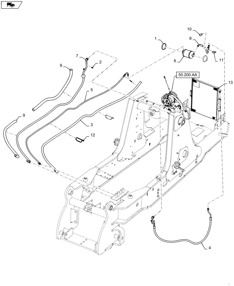
13
11
1
5
7
12
9
4
3
2
8
50.200.aa
10
6
FIT
1:1
100%

Артикул

Название

Примечание

Количество

1

214-1464

HOSE CLAMP,#64, 3.56" - 4.5", Type F Worm

2шт.

2

84292413

MOUNTING CLIP,15mm ID

A/C

1шт.

3

84512659

HOSE

Guard

1шт.

4

84515234

A/C HOSE,1830mm L

Compressor To Condenser

1шт.

5

87479017

HOSE ASSY.

Dryer To Cab

1шт.

6

86984155

RECEIVER-DRYER

Painted Black

1шт.

7

84604336

A/C HOSE

Cab To Compressor

1шт.

8

87630218

A/C HOSE,340mm L

Condenser To Dryer

1шт.

9

87726951

HOSE PROTECTION,26.3mm ID x 1200mm L

Guard

2шт.

10

232948A1

SWITCH, A/C HIGH PRE

400 PSI

1шт.

11

L11541

CABLE TIE,203.2mm L, Nylon

7 - 8 inch Black

3шт.

12

L18331

CABLE TIE,375.9mm L, Nylon, Black

Tie Hose

2шт.

13

87546291

CONDENSER

1шт.

Выбрано товаров: 13