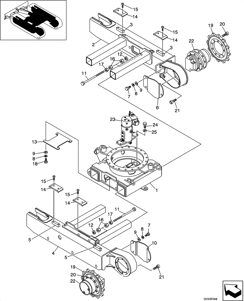
Запчасти Case CX14 (05-01[00]) - UNDERCARRIAGE (11) - TRACKS/STEERING

Схема запчастей Case CX14 - (05-01[00]) - UNDERCARRIAGE (11) - TRACKS/STEERING
25
14
2
18
5
9
16
12
11
24
11
3
22
20
22
13
15
15
3
1
14
19
10
9
14
21
5
8
23
7
9
8
20
14
16
12
21
15
17
19
15
8
6
4
7
17
FIT
1:1
100%

Артикул

Название

Примечание

Количество

1

PE02F00003P1

BODY

CARBODY, Incl. 2 - 18

1шт.

2

PE07F00011P1

FRAME

1шт.

3

PE07F01007P1

BLOCK

2шт.

4

PE07F00012P1

FRAME

1шт.

5

PE07F01007P1

BLOCK

2шт.

6

PE02F01016P1

COVER

1шт.

7

ZS18C08016

SCREW,Hex, M8 x 16mm

6шт.

8

ZW26X08000

LOCK WASHER

10шт.

9

ZW16X08000

WASHER,8mm ID x 17mm OD x 1.6mm Thk

10шт.

10

PE02F01017P1

COVER

1шт.

11

PE02F01034P1

BOLT

2шт.

12

ZN17C16013

NUT

2шт.

13

PA02F01024P3

COVER

1шт.

14

PU02F01020P1

PLATE

4шт.

15

ZS28C10020

SCREW,Hex Socket Head, M10 x 20mm

8шт.

16

PU03M01057P1

NUT

4шт.

17

PE02F01037P1

NUT

2шт.

18

ZS18C08012

SCREW,Hex, M8 x 12mm

4шт.

19

PE53D00001P1

SPROCKET

2шт.

20

ZS28C10025

SCREW,Hex Socket Head, M10 x 25mm

18шт.

21

ZS28C10020

SCREW,Hex Socket Head, M10 x 20mm

16шт.

22

PE15V00005F1

HYDRAULIC MOTOR

See Figure 06 -02

2шт.

23

PA55V00001F1

JOINT ASSY.

See Figure 08 -17

1шт.

24

ZS18C08020

SCREW,Hex, M8 x 20mm

4шт.

25

ZW16X08000

WASHER,8mm ID x 17mm OD x 1.6mm Thk

4шт.

Выбрано товаров: 25