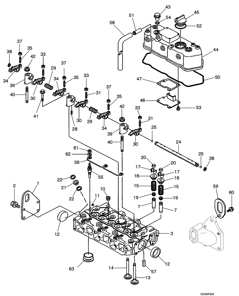
Запчасти Case CX14 (02-12[00]) - CYLINDER HEAD AND COVER (02) - ENGINE

Схема запчастей Case CX14 - (02-12[00]) - CYLINDER HEAD AND COVER (02) - ENGINE
31
60
54
37
11
19
15
62
55
21
38
61
35
15
33
37
13
24
39
16
2
42
14
7
47
57
34
63
38
33
51
37
58
34
10
53
20
39
50
40
12
22
31
30
52
45
35
35
16
25
3
12
19
42
29
17
41
33
30
28
43
25
29
1
7
34
22
46
44
20
30
59
40
17
56
FIT
1:1
100%

Артикул

Название

Примечание

Количество

YANMAR DIESEL ENGINE

1шт.

3TNE68 - YB

1шт.

1

VV11963207900

LIFTING ROD

LIFTER, Engine

1шт.

2

VV26106060122

BOLT,M6 x 12mm

M6 x 12 mm

4шт.

3

VV11926511710

HEAD ASSY.

Incl. 7, 10 - 22

1шт.

7

VV11926011800

GUIDE

6шт.

10

VV23876030000

PLUG

2шт.

11

VV27221050080

PLUG

1шт.

12

VV27241350000

PLUG

2шт.

13

VV11926011100

VALVE

3шт.

14

VV11926011110

VALVE

3шт.

15

VV11425011120

SPRING

6шт.

16

VV11425011180

SPRING

6шт.

17

VV71425011570

COTTER PIN

6шт.

19

VV11926011340

SEAL

6шт.

20

VV11926011370

CAP

6шт.

21

VV11960011450

PROTECTOR

3шт.

22

VV11960011460

GASKET

6шт.

VV11926011200

SUPPORT ASSY.

Inc.24 - 39

1шт.

24

VV11926011240

SHAFT ASSY.

Incl. 25

1шт.

25

NSS

NOT SOLD SEPARAT

Ball

2шт.

27

VV11926011260

SUPPORT ASSY.

1шт.

28

VV11926011270

SCREW

1шт.

29

VV11926011280

SPRING

2шт.

30

VV71926011650

ROCKER ARM

Incl. 31, 33

3шт.

31

VV10501011230

SCREW

3шт.

33

VV26756060002

LOCK NUT,M6

3шт.

34

VV71926011660

ROCKER ARM

Incl. 35, 37

3шт.

35

VV10501011230

SCREW

3шт.

37

VV26756060002

LOCK NUT,M6

3шт.

38

VV22242000100

CIRCLIP

2шт.

39

VV11926511260

SUPPORT

2шт.

40

VV11962011350

STUD

2шт.

41

VV26106080452

BOLT,M8 x 45mm

M8 x 45 mm

1шт.

42

VV26366080002

NUT,M8

2шт.

43

VV12416011360

KNOB

2шт.

44

VV11926011331

COVER

Incl. 45 - 53

1шт.

45

VV12416001751

CAP

1шт.

46

VV11926003020

PLATE

1шт.

47

VV11926003031

GASKET

1шт.

50

VV11926011310

GASKET

1шт.

51

VV11840003060

JOINT

1шт.

52

VV24311000320

O-RING

1шт.

53

VV22857500100

SCREW,M5 x 10mm

5 x 10, Tapping

4шт.

54

VV24311000120

O-RING

2шт.

55

VV12979577800

GLOW PLUG

Incl. 61 - 63

3шт.

56

VV11962077820

CONNECTION

1шт.

57

VV22351060012

SPRING,6 x 12mm

2шт.

58

VV23065120800

PIPE

1шт.

59

VV11922507910

GRAIN LIFTER

1шт.

60

VV26106080142

BOLT,M8 x 14mm

M8 x 14 mm

1шт.

61

NSS

NOT SOLD SEPARAT

Nut

3шт.

62

NSS

NOT SOLD SEPARAT

Washer

3шт.

63

NSS

NOT SOLD SEPARAT

Cap

3шт.

Выбрано товаров: 54