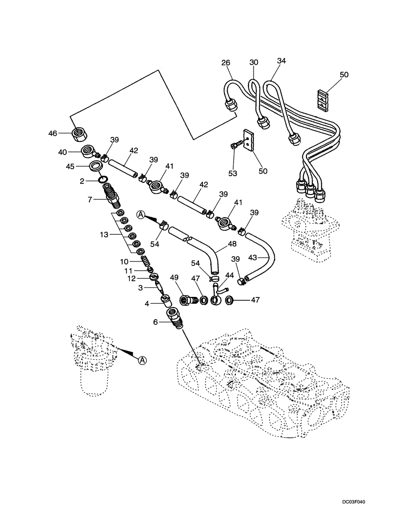
Запчасти Case CX14 (03-07[00]) - FUEL INJECTION VALVE (03) - FUEL SYSTEM

Схема запчастей Case CX14 - (03-07[00]) - FUEL INJECTION VALVE (03) - FUEL SYSTEM
42
46
39
44
48
50
53
7
54
39
3
41
13
39
39
30
47
34
4
50
47
40
26
12
10
6
42
54
49
39
43
45
39
2
41
11
FIT
1:1
100%

Артикул

Название

Примечание

Количество

VV71925553100

VALVE

Incl. 2 -13

3шт.

2

VV12915561830

O-RING

3шт.

3

VV11962053000

NOZZLE

Incl. 4

3шт.

4

NSS

NOT SOLD SEPARAT

Plunger

3шт.

6

VV11962053080

NUT

3шт.

7

VV11925553100

HOLDER

3шт.

10

VV11962053120

VALVE SPRING

3шт.

11

VV11425053130

SEAT

3шт.

12

VV11962053140

SPACER

3шт.

13

VV11425053400

SHIM

3шт.

26

VV11920959810

PIPE

1шт.

30

VV11920959820

PIPE

1шт.

34

VV11920959830

PIPE

1шт.

VV11964259540

PIPE ASSY.

Incl. 39 - 44

1шт.

39

VV12406659100

CLAMP

6шт.

40

VV11926059520

JOINT

1шт.

41

VV11926059530

JOINT

2шт.

42

VV10502559550

PIPE

2шт.

43

VV11964259550

PIPE

1шт.

44

VV11964259570

FLEXIBLE JOINT

1шт.

45

VV22190140002

GASKET

3шт.

46

VV11962059700

NUT

3шт.

47

VV22190080002

SEAL

2шт.

48

VV11922559560

PIPE

1шт.

49

VV12455059820

BOLT

1шт.

50

VV12915059120

RETAINER

Incl. 53

2шт.

53

VV12915059131

BOLT

M4 x 14 mm, Hexagon Socket

2шт.

54

VV12476659050

CLAMP

2шт.

Выбрано товаров: 0