Запчасти Case CX14 (08-02[00]) - HYDRAULIC LINES - HYDRAULIC PUMP (08) - HYDRAULICS

Схема запчастей Case CX14 - (08-02[00]) - HYDRAULIC LINES - HYDRAULIC PUMP (08) - HYDRAULICS
15
6
16
10
15
13
23
8
21
11
22
7
8
19
4
14
1
20
18
5
2
9
17
3
12
11
18
8
1
6
FIT
1:1
100%

Артикул

Название

Примечание

Количество

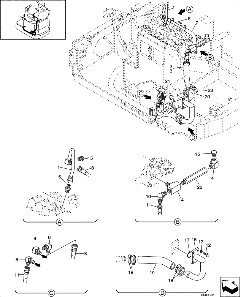
1

PE30H01001P1

TUBE

1шт.

2

2414R284

GROMMET

1шт.

3

PY01P01043D6

CABLE TIE,4.80mm W x 383mm L

1шт.

4

2444T2544

ELBOW

1шт.

5

HH25S04004G1

HYD CONNECTOR

1шт.

6

HH35S06006G1

90 ELBOW,90 Degree, 3/8" PF x 3/8" PF x 60mm L

2шт.

7

PW01P01002D3

HOSE ASSY.

1шт.

8

PE30H01004D2

HOSE ASSY.

1шт.

9

2444Z3155

90 ELBOW,PF 3/8" Fem x PF 3/8" Male

1шт.

10

HH45S06006G1

45 ELBOW

1шт.

11

PE30H01004D1

HOSE ASSY.

1шт.

12

ZS28C10025

SCREW,Hex Socket Head, M10 x 25mm

4шт.

13

ZW26K10000

LOCK WASHER

4шт.

14

PW64H01007P1

TEE

1шт.

15

ZE72X04000

PLUG

2шт.

16

PE30H01002P1

TUBE

1шт.

17

ZD12P03400

O-RING,0.139" Thk x 1.296" ID, -219, Cl 6, 90 Duro

1шт.

18

ZC16X03300

FASTENER

4шт.

19

PE30H01003P1

HOSE ASSY.

1шт.

20

PA30H01020D4

HOSE ASSY.

1шт.

21

PA03H01042P2

GROMMET

1шт.

22

HH25R04004G4

CONNECTION

CONNECTOR

1шт.

23

PA03H01044D3

RUBBER

1шт.

Выбрано товаров: 23