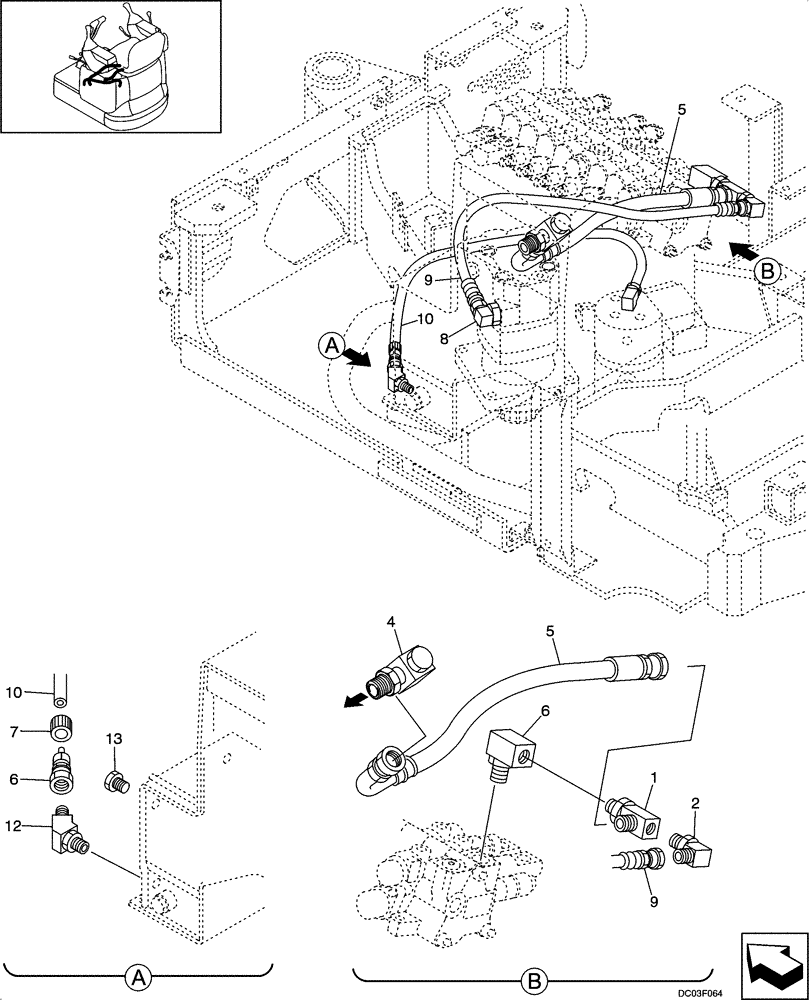
Запчасти Case CX14 (08-05[00]) - HYDRAULIC LINES - RETURN (NIBBLER & BREAKER) (08) - HYDRAULICS

Схема запчастей Case CX14 - (08-05[00]) - HYDRAULIC LINES - RETURN (NIBBLER & BREAKER) (08) - HYDRAULICS
1
5
2
10
8
12
9
4
6
9
5
6
7
13
10
FIT
1:1
100%

Артикул

Название

Примечание

Количество

1

PA32H01017P1

TEE

1шт.

2

HH35S04004G1

90 ELBOW

1шт.

3

2444Z3715

90 ELBOW

1шт.

4

PA21V00002F1

VALVE, CHECK

See Figure 08 -45

1шт.

5

PE32H01014D1

HOSE ASSY.

1шт.

6

PA32H01020P1

HYD CONNECTOR

1шт.

7

PA19H01003P1

BUSHING

1шт.

8

HH35S04006G1

90 ELBOW,90 Degree, 1/4" PF x 3/8" PF x 60mm L

1шт.

9

PA32H01023D1

HOSE ASSY.

1шт.

10

PA32H01015D5

TUBE

1шт.

12

HH45S04002G1

45 ELBOW

1шт.

13

ZE72X04000

PLUG

1шт.

Выбрано товаров: 12