Качественные детали и логистика
Оригинальные и аналоговые запчасти с доставкой по России, Казахстану и Беларуси
©2022 PartSell ООО "Система" ИНН 2463123282 ОГРН 1212400004838
Центральный офис: г. Красноярск, Академика Киренского, д.87, пом.4
Телефон: 8 (800) 777-65-74 Email: zakaz@partsell.ru
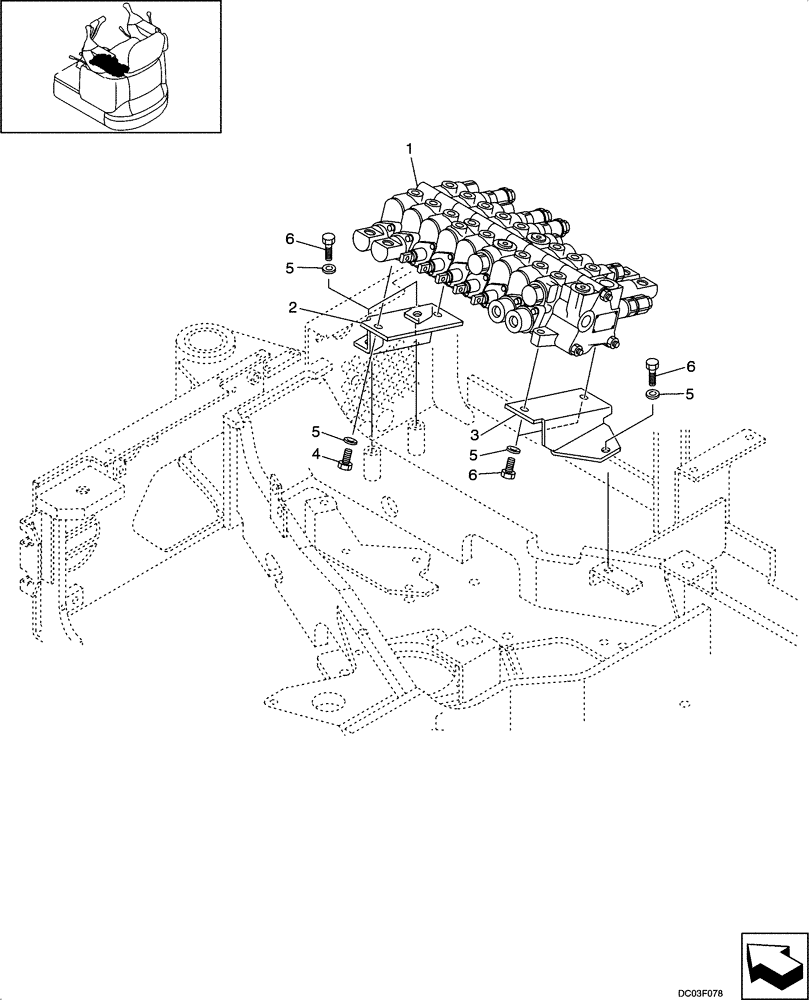
(08-19[00]) - VALVE MOUNTING
№
Артикул
Название
Примечание
Количество
1
PE30V00002F1
CONTROL VALVE
for S/N PE01-00101 - 00497, See Figure 08 -20
1шт.
PE30V00002F2
for ASN PE01-00498, See Figure 08 -21
2
PE64H01002P1
BRACKET
3
PE64H01003P1
4
ZS18C08016
SCREW,Hex, M8 x 16mm
2шт.
5
ZW16H08000
WASHER
7шт.
6
ZS18C08020
SCREW,Hex, M8 x 20mm
5шт.
Выбрано товаров: 0