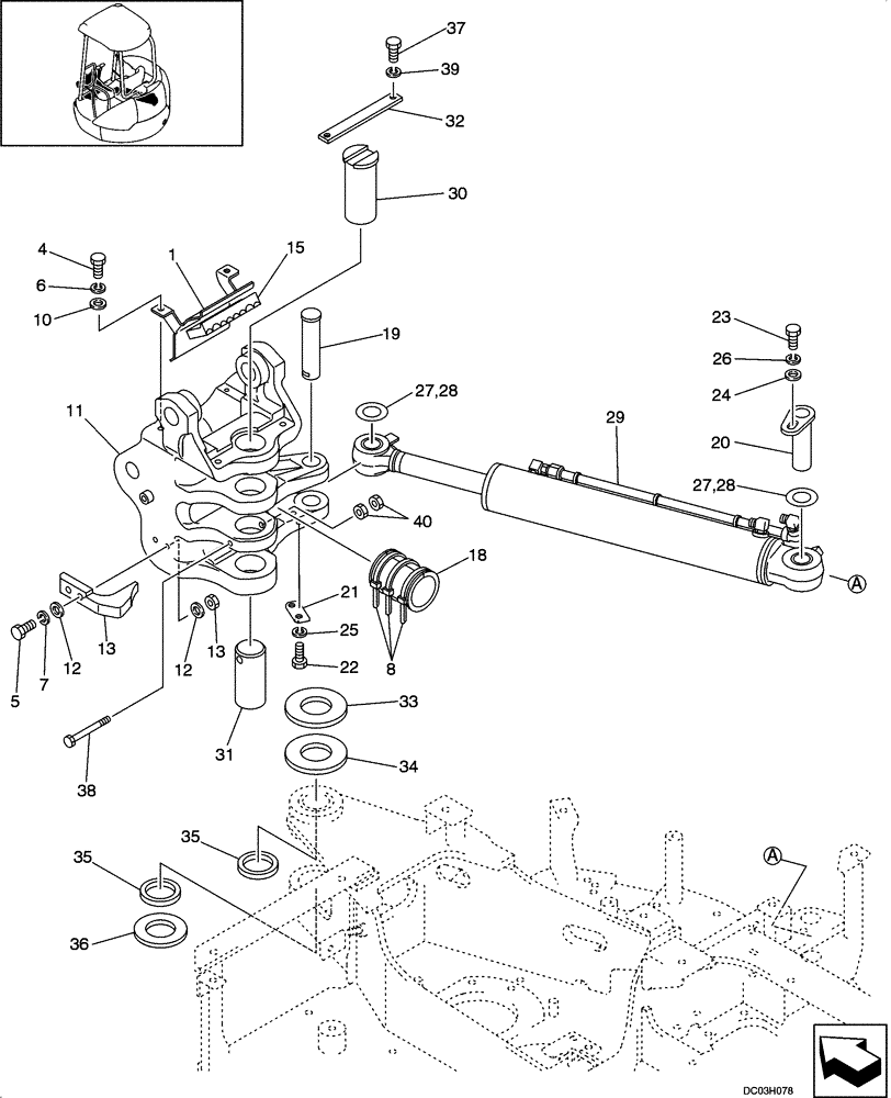
Запчасти Case CX25 (09-06[00]) - BRACKET ASSY - SWING, CANOPY (09) - CHASSIS/ATTACHMENTS

Схема запчастей Case CX25 - (09-06[00]) - BRACKET ASSY - SWING, CANOPY (09) - CHASSIS/ATTACHMENTS
26
31
35
11
7
32
13
40
22
34
23
18
30
27
36
12
8
6
37
12
28
24
13
25
27
33
28
10
20
38
39
21
19
15
39
1
5
4
35
FIT
1:1
100%

Артикул

Название

Примечание

Количество

1

PV02B01234P1

COVER

1шт.

4

ZS18C08025

SCREW,Hex, M8 x 25mm

2шт.

6

ZW26X08000

LOCK WASHER

2шт.

8

PY01P01043D8

CABLE TIE,102mm L

3шт.

10

ZW16X08000

WASHER,8mm ID x 17mm OD x 1.6mm Thk

2шт.

15

PM02B01295P1

RUBBER

1шт.

18

PM02B01289P1

GROMMET

1шт.

21

PM02B01220P1

PLATE

1шт.

22

ZS18C10020

SCREW,Hex, M10 x 20mm

2шт.

23

ZS18C12030

SCREW,Hex, M12 x 30mm

1шт.

24

2418Y12345

1шт.

25

ZW26X10000

LOCK WASHER

2шт.

26

ZW26X12000

LOCK WASHER

1шт.

27

PR02B01109P1

SHIM,0.5mm Thk

2шт.

28

PR02B01122D1

SHIM,0.9mm Thk

5шт.

32

PW02B01244P1

PLATE

1шт.

33

PM02B01246P1

WASHER

WASHER

1шт.

34

PM02B01247P1

WASHER

WASHER

1шт.

35

2445R138D3

SEAL,60mm ID x 75mm OD x 4mm Thk

2шт.

36

PM02B01231P1

SHIM,0.5mm Thk

1шт.

37

ZS18C10025

SCREW,Hex, M10 x 25mm

2шт.

38

HS18C12135G1

BOLT

1шт.

39

ZW26X10000

LOCK WASHER

2шт.

40

ZN18C12010

NUT

2шт.

Выбрано товаров: 24