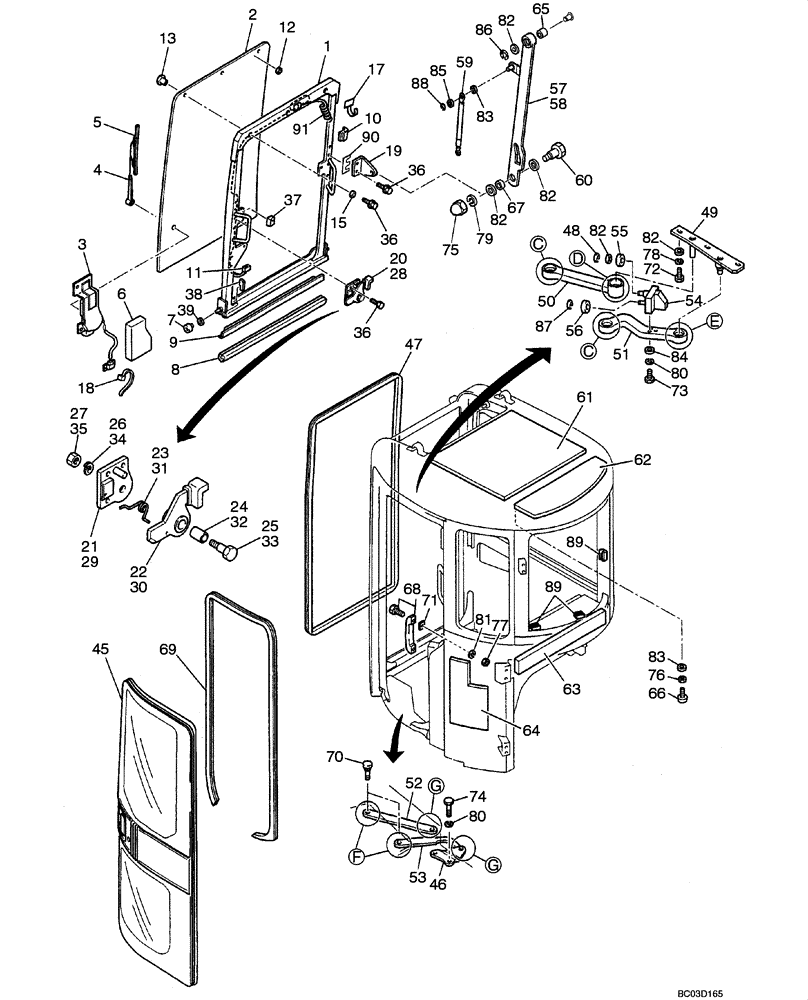
Запчасти Case CX25 (09-17[00]) - CAB - WINDOW, FRONT (09) - CHASSIS/ATTACHMENTS

Схема запчастей Case CX25 - (09-17[00]) - CAB - WINDOW, FRONT (09) - CHASSIS/ATTACHMENTS
75
88
37
69
15
24
4
61
82
27
72
6
53
45
62
47
51
82
73
33
82
52
79
36
87
70
49
12
59
83
5
1
29
82
32
28
76
64
22
67
38
11
7
25
21
54
2
30
46
31
80
17
57
90
58
48
39
26
19
18
20
89
85
8
89
65
83
68
80
74
91
55
56
71
13
9
81
84
34
35
82
77
23
78
50
86
36
60
36
10
63
3
66
FIT
1:1
100%

Артикул

Название

Примечание

Количество

PM50C00004F1

WINDOW ASSY

Front, Incl. 1 - 39

1шт.

1

PM50C01048P2

FRAME ASSY

1шт.

2

PM02C01313P1

GLASS

1шт.

3

PM76S00001F1

WIPER MOTOR

MOTOR, WIPER

1шт.

4

PM53C00001P1

WIPER ARM

1шт.

5

YR53C01001P1

WIPER BLADE

1шт.

6

YT02C01125P1

COVER

1шт.

7

YT50C01024P1

ROLLER

2шт.

8

PM50C01017P1

SEAL

1шт.

9

PM50C01016P1

SEAL

1шт.

10

YT50C01023P1

RUBBER

4шт.

11

YT02C01106P1

HARNESS

1шт.

12

YT50C01022P1

SEAL,15mm ID x 30mm OD x 2mm Thk

5шт.

13

YT50C01020P1

RETAINER

3шт.

14

YT02C01241D1

BOLT

3шт.

15

YR21C01161P1

WASHER,9mm ID x 22mm OD x 2.3mm Thk

3шт.

16

ZW16X14000

WASHER

3шт.

17

YT22A01001P1

STRAP

1шт.

18

PY01P01043D2

CABLE TIE,4.60mm W x 202mm L

11шт.

19

PM50C01041P1

BRACKET

2шт.

20

PM02C01447F1

LOCK ASSY

Left Hand, Incl. 21 - 27

1шт.

21

PM02C01402P1

BRACKET

1шт.

22

PM02C01302P1

PLATE

1шт.

23

PM02C01303P1

SPRING

1шт.

24

2405U104D014020

BUSHING

1шт.

25

PM02C01395P1

PIN

1шт.

26

ZW26X10000

LOCK WASHER

1шт.

27

ZN18C10008

NUT

1шт.

28

PM02C01448F1

LOCK ASSY

Right Hand, Incl. 29 - 35

1шт.

29

PM02C01403P1

BRACKET

1шт.

30

PM02C01306P1

PLATE

1шт.

31

PM02C01307P1

SPRING

1шт.

32

2405U104D014020

BUSHING

1шт.

33

PM02C01395P1

PIN

1шт.

34

ZW26X10000

LOCK WASHER

1шт.

35

ZN18C10008

NUT

1шт.

36

ZM66C06020

BOLT

10шт.

37

PM50C01053D1

STOP

STOPPER

2шт.

38

PM50C01042P1

SHIM,1.0mm Thk

2шт.

39

PM50C01052P1

SHIM,1.0mm Thk

4шт.

45

PM51C00006F1

DOOR ASSY.

See Fig. 09 -18

1шт.

46

PM02C01451P1

PLATE

1шт.

47

PM02C01127P1

GASKET

1шт.

48

ZR16X01200

RING

1шт.

49

PM02C01460P2

BRACKET

1шт.

50

PM02C01459P1

LINK

1шт.

51

PM02C01419P1

LINK

1шт.

52

PM51C01061P1

LINK

1шт.

53

PM51C01062P1

LINK

1шт.

54

PM02C01477P1

LINK

1шт.

55

PM02C01434P1

BEARING,12mm ID x 32mm OD x 10mm W

1шт.

56

YT50C01024P1

ROLLER

1шт.

57

PM02C01401P1

LINK

1шт.

58

PM02C01400P1

LINK

1шт.

59

PM02C01133P1

SPRING

2шт.

60

PM02C01257P1

SPECIAL PIN

2шт.

61

PM02C01495P1

FOAM INSULATION

1шт.

62

PM02C01494P1

FOAM INSULATION

1шт.

63

PM02C01416P1

FOAM INSULATION

1шт.

64

PM02C01417P1

FOAM INSULATION

1шт.

65

2405U104D012020

BUSHING

2шт.

66

YT02C01066P1

STOP

4шт.

67

2405U104D012008

BUSHING

2шт.

68

YR02C01522P1

HANDLE

1шт.

69

YR02C01524P1

SEAL

1шт.

70

PM02C01421P1

PIN

2шт.

71

YR02C01609P2

SPACER

2шт.

72

ZS18C12030

SCREW,Hex, M12 x 30mm

3шт.

73

ZS18C08035

SCREW,Hex, M8 x 35mm

3шт.

74

ZS18C08025

SCREW,Hex, M8 x 25mm

2шт.

75

ZN46C10018

NUT

2шт.

76

ZN18F10008

NUT

4шт.

77

ZN18C06005

NUT

6шт.

78

ZW26X12000

LOCK WASHER

3шт.

79

ZW26X10000

LOCK WASHER

4шт.

80

ZW26X08000

LOCK WASHER

14шт.

81

ZW26X06000

LOCK WASHER

6шт.

82

ZW16P12000

WASHER

10шт.

83

ZW16X10000

WASHER

6шт.

84

ZW16X08000

WASHER,8mm ID x 17mm OD x 1.6mm Thk

5шт.

85

ZW16X06000

WASHER

10шт.

86

ZR36X01000

RING

2шт.

87

ZR36X00700

RING

1шт.

88

ZR36X00500

SNAP RING

4шт.

89

YT02C01081D1

SEAL

4шт.

90

PM02C01504D

SHIM

2шт.

91

YT02C01104P1

HARNESS

1шт.

Выбрано товаров: 87