Запчасти Case CX25 (09-24[00]) - CONTROLS - OPERATORS COMPARTMENT (A) (09) - CHASSIS/ATTACHMENTS

Схема запчастей Case CX25 - (09-24[00]) - CONTROLS - OPERATORS COMPARTMENT (A) (09) - CHASSIS/ATTACHMENTS
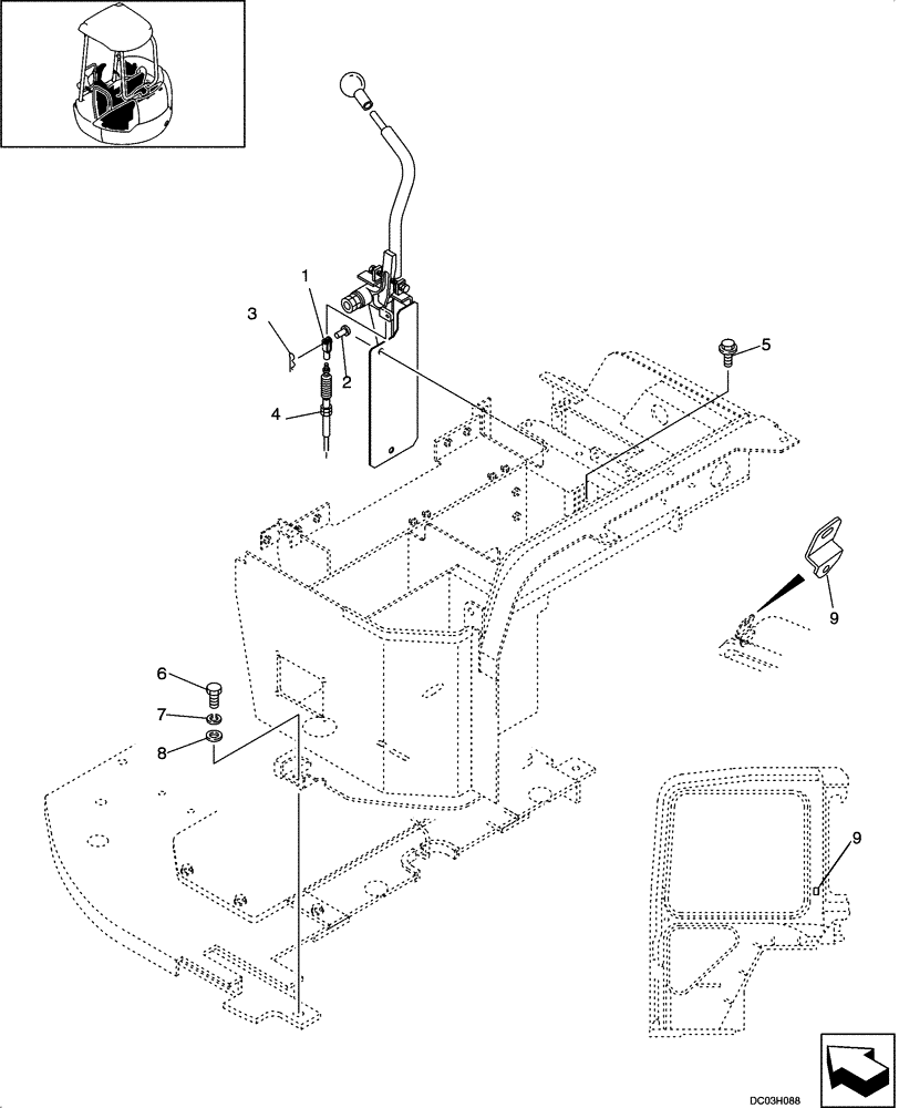
5
3
2
7
9
8
6
4
9
1
FIT
1:1
100%

Артикул

Название

Примечание

Количество

1

PM03M01451P1

ROD

1шт.

2

ZP45X06018

PIN

1шт.

3

2419R9D1

COTTER PIN

1шт.

4

PM03M01448D1

CABLE ASSY.

1шт.

5

ZM22C12055

BOLT

1шт.

6

ZS18C16040

SCREW,Hex, M16 x 40mm

1шт.

7

ZW26X16000

LOCK WASHER

1шт.

8

ZW16X16000

WASHER

1шт.

9

PM25M01108P1

PLATE

1шт.

Выбрано товаров: 9