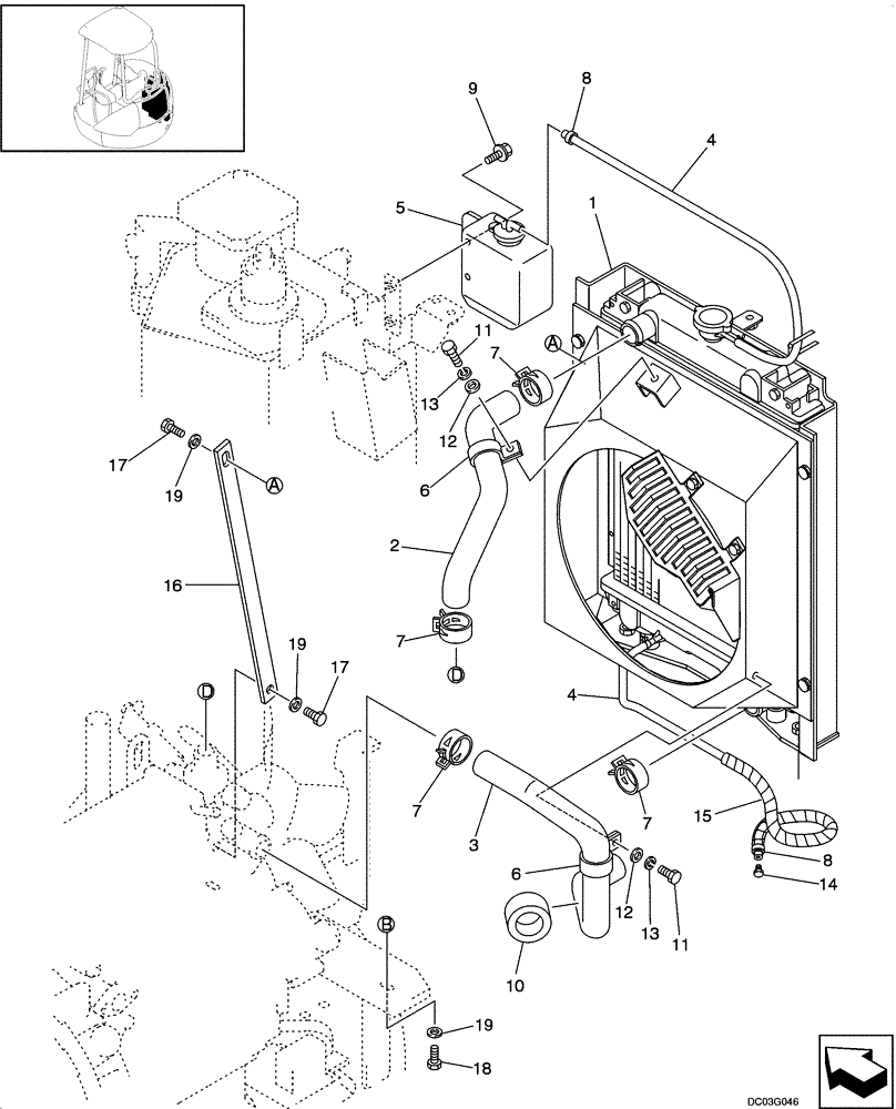
Запчасти Case CX25 (02-07[00]) - RADIATOR MOUNTING (02) - ENGINE

Схема запчастей Case CX25 - (02-07[00]) - RADIATOR MOUNTING (02) - ENGINE
13
18
19
7
5
1
17
6
12
12
2
19
14
16
9
11
19
4
6
13
7
3
4
10
15
17
7
11
7
8
8
FIT
1:1
100%

Артикул

Название

Примечание

Количество

YANMAR DIESEL ENGINE

1шт.

3TNE74 - NYBB

1шт.

4

PM05P00010S003

HOSE

2шт.

5

PU01P01024F1

RESERVOIR

1шт.

6

ZC46X38014

CLIP

2шт.

7

PH05P01088D3

CLIP

4шт.

8

2452U267S8

CLIP

4шт.

9

ZM61C06020

BOLT

2шт.

11

ZS18C08016

SCREW,Hex, M8 x 16mm

2шт.

12

YR21C01161P1

WASHER,9mm ID x 22mm OD x 2.3mm Thk

2шт.

13

ZW26X08000

LOCK WASHER

2шт.

14

PF05P01017P1

PLUG

1шт.

15

PU13E01002D9

TUBE

1шт.

17

ZS18C10020

SCREW,Hex, M10 x 20mm

2шт.

18

ZS18C10030

SCREW,Hex, M10 x 30mm

2шт.

19

ZW16H10000

WASHER

4шт.

Выбрано товаров: 16