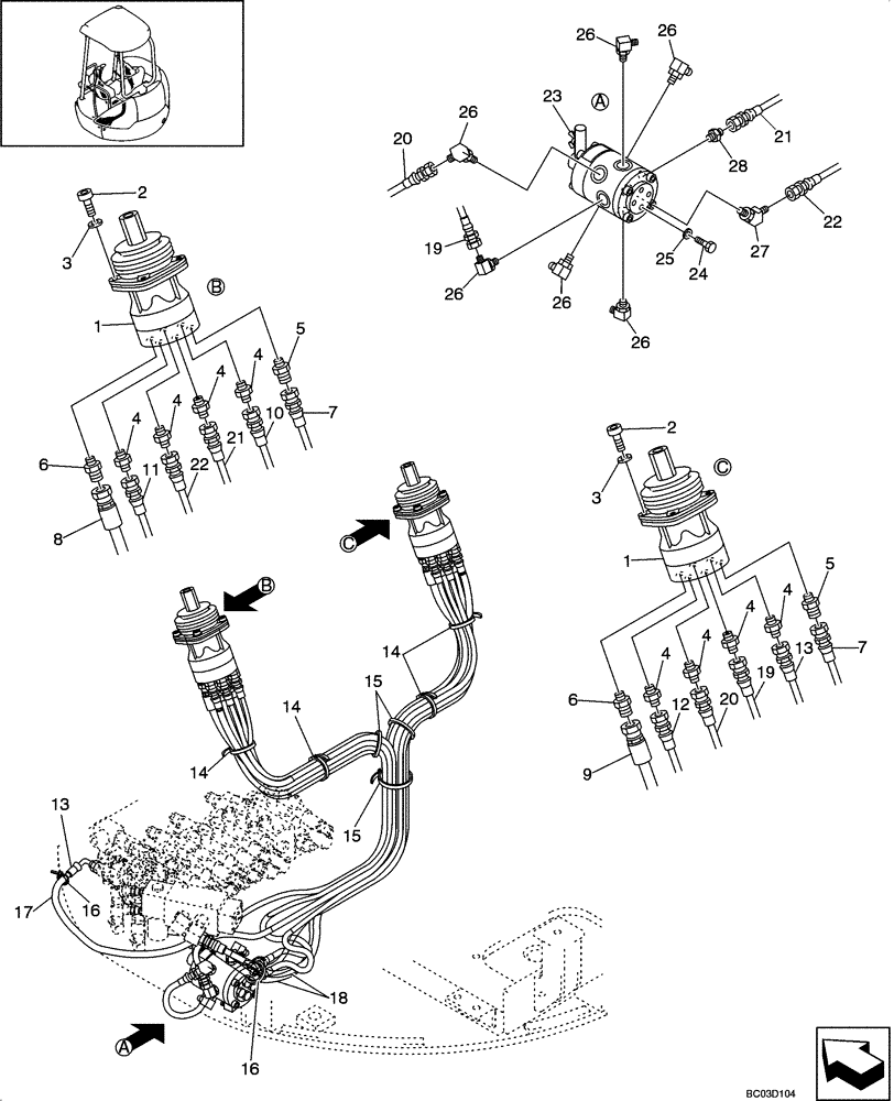
Запчасти Case CX31 (08-07[00]) - HYDRAULICS - PILOT CONTROL LINES, REMOTE CONTROL (08) - HYDRAULICS

Схема запчастей Case CX31 - (08-07[00]) - HYDRAULICS - PILOT CONTROL LINES, REMOTE CONTROL (08) - HYDRAULICS
14
22
20
25
19
16
27
23
4
2
4
6
21
4
4
13
21
5
3
2
28
26
26
26
6
7
4
13
15
26
24
17
5
22
4
15
4
9
18
1
26
4
20
12
3
14
19
7
26
16
8
1
11
14
10
FIT
1:1
100%

Артикул

Название

Примечание

Количество

1

PA30V00002F2

PILOT VALVE

See Figure 08 -70

1шт.

2

ZS28C06030

SCREW,Hex Socket Head, M6 x 30mm

4шт.

3

ZW16X06000

WASHER

4шт.

4

HH25S04004G1

HYD CONNECTOR

4шт.

5

HH25S04004G3

HYD CONNECTOR

1шт.

6

HH25S06004G1

HYD CONNECTOR

1шт.

PV68H00015F3

PILOT VALVE

Incl. 7 - 22

1шт.

7

HX24L04135DX

HOSE ASSY.

2шт.

8

HX22L06130DY

HOSE ASSY.

1шт.

9

HX22L06115DY

HOSE ASSY.

1шт.

10

PW68H01006D1

HOSE

1шт.

11

PM68H01028D4

HOSE

1шт.

12

PV68H01041D1

HOSE ASSY.

1шт.

13

PW68H01017D2

HOSE ASSY.

1шт.

14

PY01P01043D6

CABLE TIE,4.80mm W x 383mm L

4шт.

15

PY01P01043D8

CABLE TIE,102mm L

3шт.

16

PY01P01043D3

CABLE TIE,188mm L

2шт.

17

2418R676D11

TUBE

1шт.

18

2418R676D3

TUBE

2шт.

19

PM68H01030D3

HOSE

1шт.

20

PM68H01031D4

HOSE

1шт.

21

PV68H01039D2

HOSE

1шт.

22

PV68H01039D3

HOSE

1шт.

PV64H00008F1

VALVE

Incl. 23 - 28

1шт.

23

2436U1458F3

CONTROL VALVE

See Figure 08 -74

1шт.

24

ZS18C08020

SCREW,Hex, M8 x 20mm

4шт.

25

ZW16H08000

WASHER

4шт.

26

HH35S04006G1

90 ELBOW,90 Degree, 1/4" PF x 3/8" PF x 60mm L

6шт.

27

HH45S04006G1

45 ELBOW

1шт.

28

HH25S04006G1

90 ELBOW

1шт.

Выбрано товаров: 30