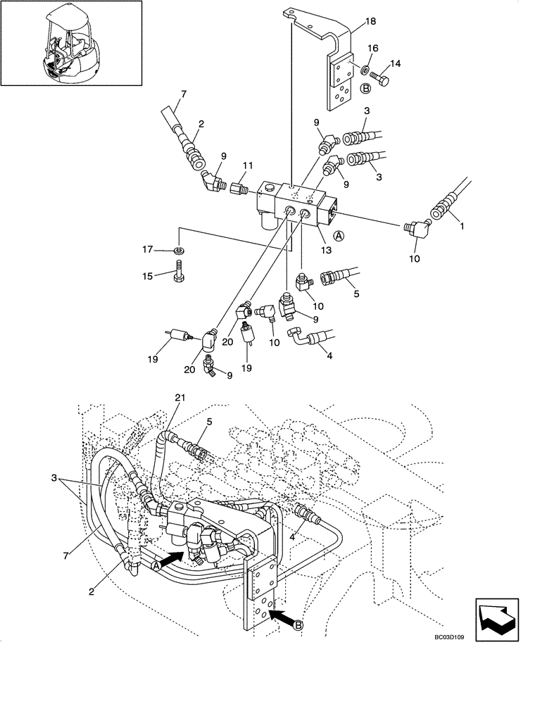
Запчасти Case CX31 (08-13[00]) - HYDRAULIC LINES - VALVE, SOLENOID - SWING (08) - HYDRAULICS

Схема запчастей Case CX31 - (08-13[00]) - HYDRAULIC LINES - VALVE, SOLENOID - SWING (08) - HYDRAULICS
2
21
3
15
19
17
7
5
4
4
7
10
9
14
10
3
9
10
16
9
13
2
11
9
1
20
20
3
19
5
18
9
FIT
1:1
100%

Артикул

Название

Примечание

Количество

1

HX22L04140DX

HOSE ASSY.

1шт.

2

HX34L04048DX

HOSE ASSY.

1шт.

3

HX23L03084DX

HOSE ASSY.

2шт.

4

HX33L03054DX

HOSE ASSY.

1шт.

5

HX23L03090DX

HOSE ASSY.

1шт.

7

PU13E01002D7

TUBE

1шт.

9

HH45S04004G1

45 ELBOW

5шт.

10

HH35S04004G1

90 ELBOW

3шт.

11

HH25R04004G5

HYD CONNECTOR

1шт.

13

PE35V00001F1

SOLENOID VALVE

(Used for Slew/Swing Select) See Figure 08 -68

1шт.

14

ZS18C08035

SCREW,Hex, M8 x 35mm

4шт.

15

ZS28C10065

SCREW,Hex Socket Head, M10 x 65mm

2шт.

16

ZW16H08000

WASHER

4шт.

17

ZW26K10000

LOCK WASHER

2шт.

18

PV64H01047P1

BRACKET

1шт.

20

GB50S00049F1

PRESSURE SWITCH

(Used for Extra, JIB)

2шт.

21

PV64H01034P1

ELBOW

2шт.

Выбрано товаров: 17