Запчасти Case CX36 (02-06[00]) - MUFFLER ASSY (02) - ENGINE

Схема запчастей Case CX36 - (02-06[00]) - MUFFLER ASSY (02) - ENGINE
9
11
16
1
10
5
8
13
13
12
10
10
10
9
5
8
17
9
9
2
7
14
14
4
8
10
9
3
18
13
13
10
10
15
8
10
6
FIT
1:1
100%

Артикул

Название

Примечание

Количество

YANMAR DIESEL ENGINE

1шт.

3TNE82A-EYBC, CX31

1шт.

3TNE82A-EYBD, CX36

1шт.

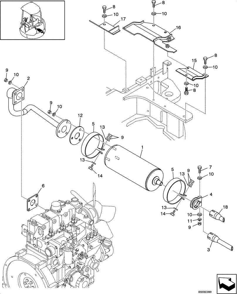
1

PW12P00008P1

MUFFLER

1шт.

2

PX12P01029P1

TUBE

1шт.

3

PX12P01028P2

TUBE

Exhaust, CX31 Only

1шт.

4

PW12P01031P1

CLAMP

1шт.

5

PM12P01024P1

CLAMP

2шт.

6

2420T7475

GASKET

1шт.

7

ZS18C08060

SCREW,Hex, M8 x 60mm

1шт.

8

ZS18C08014

SCREW,Hex, M8 x 14mm

1шт.

9

ZN18C08007

NUT

12шт.

10

ZW16X08000

WASHER,8mm ID x 17mm OD x 1.6mm Thk

16шт.

11

ZW26X08000

LOCK WASHER

1шт.

12

PH12P01005P1

GASKET

1шт.

13

PM12P01034P1

SPACER

4шт.

14

ZS18C08040

SCREW,Hex, M8 x 40mm

2шт.

15

PW12P01028P1

COVER

1шт.

16

PW12P01029P2

COVER

1шт.

17

PW12P01030P1

COVER

1шт.

18

PW12P01032P1

EXHAUST SYSTEM PIPE

EXHAUST, CX36 Only

1шт.

Выбрано товаров: 21