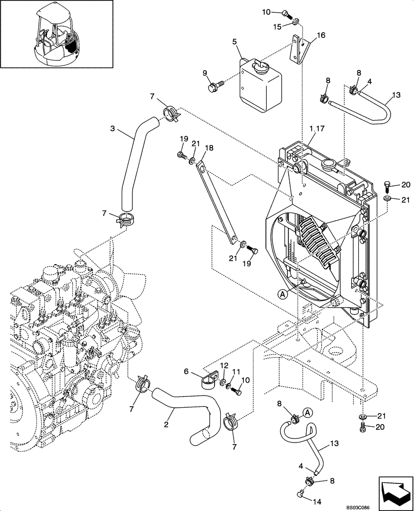
Запчасти Case CX36 (02-07[00]) - RADIATOR MOUNTING (02) - ENGINE

Схема запчастей Case CX36 - (02-07[00]) - RADIATOR MOUNTING (02) - ENGINE
10
15
21
21
7
2
3
21
7
14
8
13
4
7
19
8
11
5
19
17
12
1
20
9
21
7
4
20
16
6
10
13
8
18
FIT
1:1
100%

Артикул

Название

Примечание

Количество

YANMAR DISEL ENGINE

1шт.

3TNE82A-EYBC, CX31

1шт.

3TNE82A-EYBD, CX36

1шт.

1

PX05P00021F1

RADIATOR

CX36, See Figure 02 -09

1шт.

2

PW05P01046P1

RADIATOR HOSE

1шт.

3

PW05P01047P1

RADIATOR HOSE

1шт.

4

NSS

NOT SOLD SEPARAT

Hose

2шт.

5

PU01P01024F1

RESERVOIR

1шт.

6

ZC46Z38014

CLAMP

1шт.

7

PH05P01088DS

CLIP

4шт.

8

NSS

NOT SOLD SEPARAT

Clip

4шт.

9

ZM61C06020

BOLT

2шт.

10

ZS18C08016

SCREW,Hex, M8 x 16mm

3шт.

11

ZW26X08000

LOCK WASHER

1шт.

12

XR21C01161P1

WASHER

1шт.

13

PU13B01002DC

TUBE

2шт.

14

PF05P01017P1

PLUG

1шт.

15

ZW16X08000

WASHER,8mm ID x 17mm OD x 1.6mm Thk

2шт.

16

PX05P01037P1

BRACKET

1шт.

17

PW05P00020F1

RADIATOR

CX31, See Figure 02 -08

1шт.

18

PW05P01051P1

STAY

1шт.

19

ZS18C10020

SCREW,Hex, M10 x 20mm

2шт.

20

ZS18C10030

SCREW,Hex, M10 x 30mm

2шт.

21

ZW16H10000

WASHER

4шт.

Выбрано товаров: 24