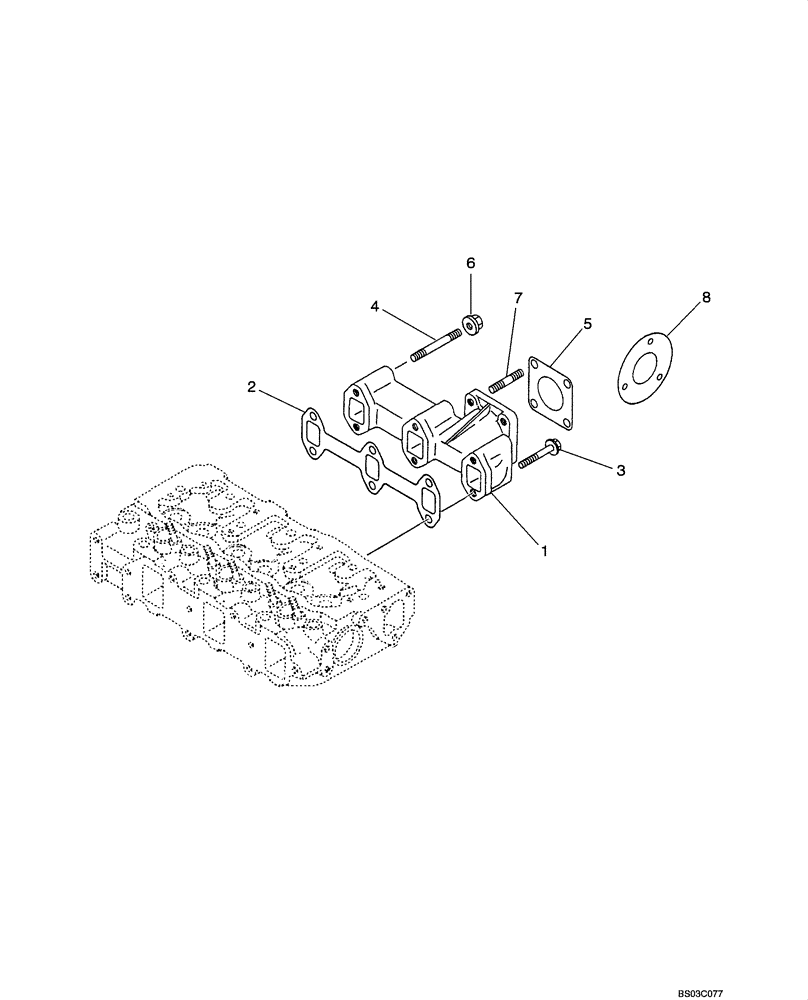
Запчасти Case CX36 (02-13[00]) - MANIFOLD - EXHAUST (02) - ENGINE

Схема запчастей Case CX36 - (02-13[00]) - MANIFOLD - EXHAUST (02) - ENGINE
6
5
8
1
7
2
4
3
FIT
1:1
100%

Артикул

Название

Примечание

Количество

YANMAR DIESEL ENGINE

1шт.

3TNE82A-EYBC, CX31

1шт.

3TNE82A-EYBD, CX36

1шт.

1

VV11981013100

MANIFOLD

Exhaust

1шт.

2

VV11981013110

GASKET

Exhaust Manifold

1шт.

3

VV26106080602

BOLT,M8 x 60mm

M8 x 60 mm

4шт.

4

VV26216080602

BOLT,M8 x 60mm

M8 x 60 mm

2шт.

5

VV12470111911

GASKET

1шт.

6

VV26306080002

NUT,M8

Replaces VV2636608002

1шт.

7

VV11913118320

BOLT

M8 x 22 mm

4шт.

8

VV10395413201

GASKET

1шт.

Выбрано товаров: 11