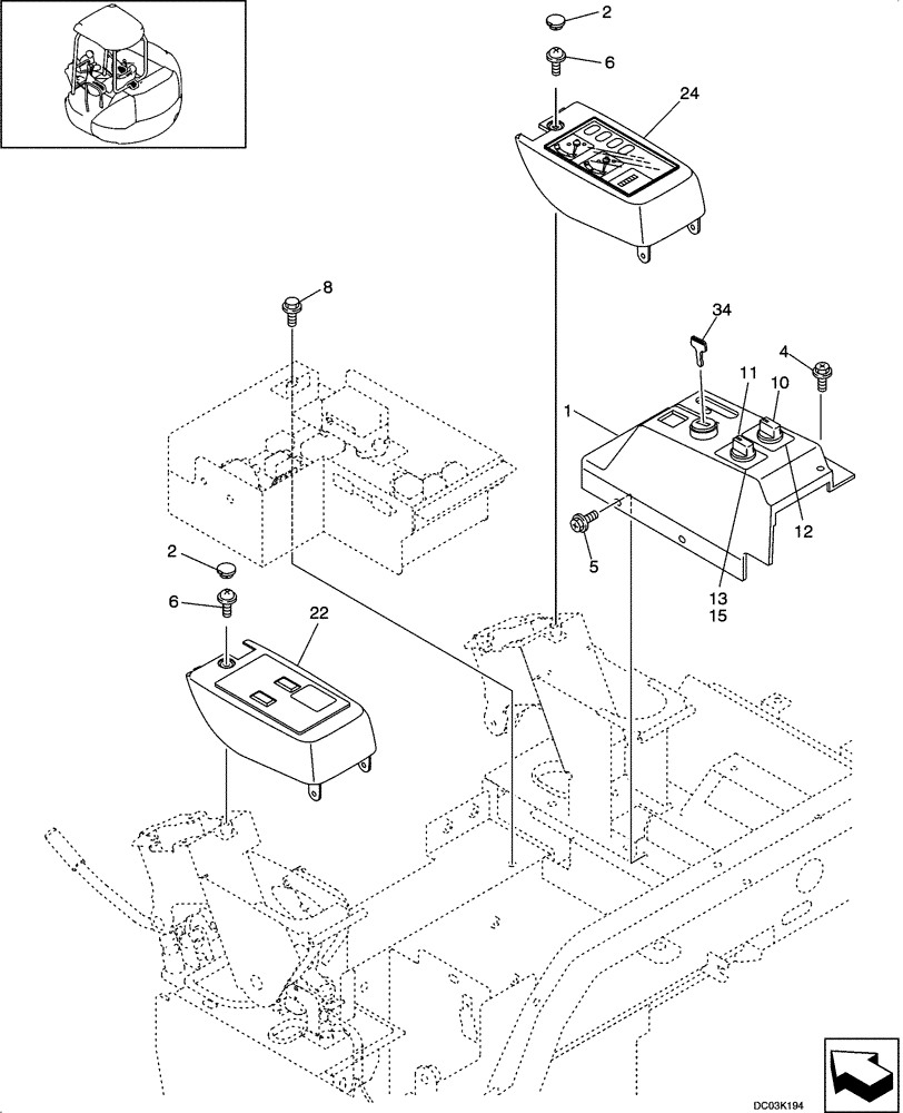
Запчасти Case CX47 (09-32[00]) - INSTRUMENT PANEL ASSY - CANOPY (09) - CHASSIS/ATTACHMENTS

Схема запчастей Case CX47 - (09-32[00]) - INSTRUMENT PANEL ASSY - CANOPY (09) - CHASSIS/ATTACHMENTS
12
1
22
6
15
6
2
34
24
11
5
2
4
13
10
8
FIT
1:1
100%

Артикул

Название

Примечание

Количество

1

PM17M01031D1

COVER

1шт.

2

YT17M01013P1

CAP

2шт.

4

PA41C01006D3

BOLT

2шт.

5

PA41C01006D2

BOLT

2шт.

6

ZM46C05016

BOLT,Phillip, M5 x 0.8 x 15mm

2шт.

8

ZM22C08020

BOLT

2шт.

10

PV24E01001P1

SWITCH ASSY

(Used for Working Light)

1шт.

11

PY50S00003P1

SWITCH

(Used for Heater, Attachment Mode Select)

1шт.

12

PM17M01029P1

DECAL

1шт.

13

PM17M01030P1

DECAL

1шт.

15

PH17M01011P1

LABEL

1шт.

22

PE17M01012D2

COVER

1шт.

24

PM17M00007F3

PANEL ASSY.

Right Hand See Figure 09 -36

1шт.

34

PM50S01001P1

SET OF 2 KEYS

KEY, LOCK

1шт.

Выбрано товаров: 14