Запчасти Case CX47 (03-05[00]) - FUEL INJECTION PUMP (03) - FUEL SYSTEM

Схема запчастей Case CX47 - (03-05[00]) - FUEL INJECTION PUMP (03) - FUEL SYSTEM
75
11
91
96
77
26
83
18
51
46
84
76
90
37
95
9
1
53
10
85
80
55
54
78
48
50
89
18
27
27
82
79
5
20
17
33
38
16
32
18
88
34
39
81
36
30
52
1
88
94
31
8
18
45
25
40
15
93
47
6
87
12
92
86
14
49
74
35
FIT
1:1
100%

Артикул

Название

Примечание

Количество

1

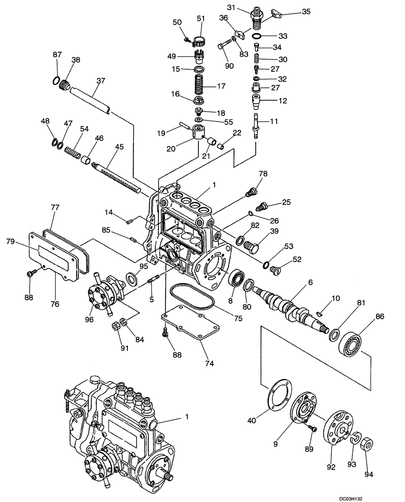
VV72943051490

FUEL INJECTION PUMP

Incl. 5 - 96

1шт.

5

VV12915551020

STUD

2шт.

6

VV12947051040

CAMSHAFT

1шт.

8

VV12915551050

BEARING

1шт.

9

VV12920851060

SUPPORT

1шт.

10

VV12271051090

KEY

1шт.

11

VV12947051101

PLUNGER

Incl. 12

4шт.

12

NSS

NOT SOLD SEPARAT

BARREL

4шт.

14

VV12915551140

PIN

4шт.

15

VV17430751170

RETAINER

4шт.

16

VV12915551180

SPRING

4шт.

17

VV12495051190

SPRING

4шт.

18

VV12915551200

TAPPET

Incl. 19 - 22

4шт.

19

NSS

NOT SOLD SEPARAT

Pin

4шт.

20

NSS

NOT SOLD SEPARAT

Holder

4шт.

21

NSS

NOT SOLD SEPARAT

Sleeve

4шт.

22

NSS

NOT SOLD SEPARAT

Sleeve

4шт.

25

VV12915551270

TAPPET

4шт.

26

VV12915551280

O-RING

4шт.

27

VV12945051300

VALVE

4шт.

30

VV12915551320

SPRING

4шт.

31

VV12915551340

GUARD

4шт.

32

VV12455051350

GASKET

4шт.

33

VV12455051370

O-RING

4шт.

34

VV12915551370

STOP

4шт.

35

VV12915551380

NUT

2шт.

36

VV12915551390

NUT

2шт.

37

VV12955551400

DEFLECTOR

1шт.

38

VV12915551410

BOLT

1шт.

39

VV12915551420

PLUG

1шт.

40

VV12915551450

SHIM

1шт.

45

VV12955551500

RACK

1шт.

46

VV12915551521

BUSHING

1шт.

47

VV12915551530

SPACER

1шт.

48

VV12915551540

CIRCLIP

1шт.

49

VV12915551550

PINION

4шт.

50

VV12211751560

SCREW

4шт.

51

VV17430751560

PINION

4шт.

52

VV12915551570

PLUG

1шт.

53

VV12915551580

O-RING

1шт.

54

VV12915551591

SPRING

1шт.

55

VV12915551600

SHIM

4шт.

74

VV12955551701

COVER

1шт.

75

VV12955551711

GASKET

1шт.

76

VV12955551751

COVER

1шт.

77

VV12955551760

GASKET

1шт.

78

VV12915551790

RACK

1шт.

79

VV12915651910

LABEL

1шт.

80

VV12915551930

SPACER

T=3, 25

1шт.

81

VV12915551940

SPACER

T=1, 50

1шт.

82

VV22190160002

SEAL

1шт.

83

VV22217050000

SPRING

2шт.

84

VV22217060000

SPRING

2шт.

85

VV22351050010

SPRING,5 x 10mm

5 x 10 mm

2шт.

86

VV24101063034

BEARING

1шт.

87

VV24341000160

O-RING

1шт.

88

VV26022050122

SCREW

M5 x 12 mm

11шт.

89

VV26022060162

SCREW

M6 x 16 mm

4шт.

90

VV26116050302

BOLT,M5 x 30mm

M5 x 30 mm

2шт.

91

VV26716060002

NUT,M6

2шт.

92

VV12920854500

FLANGE

Incl. 93, 94

1шт.

93

VV22217120000

SPRING

1шт.

94

VV26716120002

NUT,M12

1шт.

95

VV12915552050

GASKET

GASKET

1шт.

96

VV12910052100

PUMP

1шт.

Выбрано товаров: 65