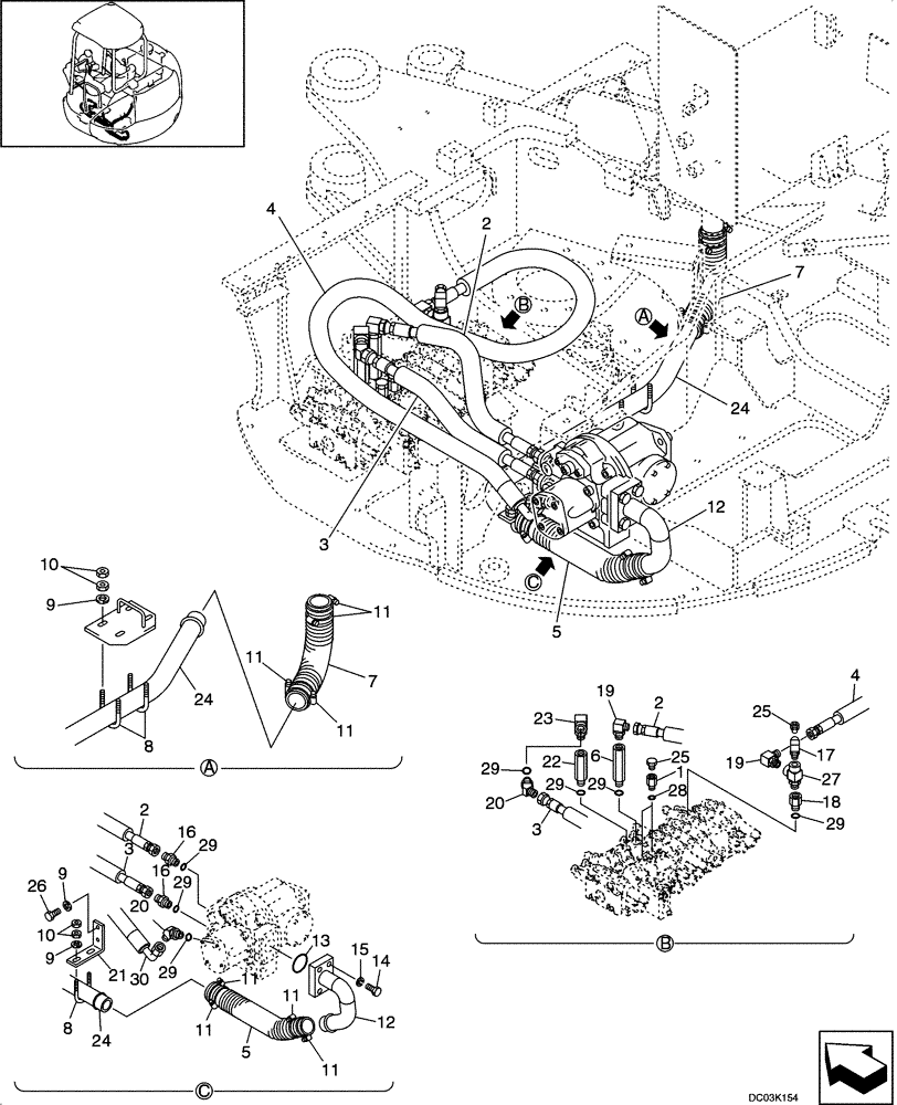
Запчасти Case CX47 (08-03[00]) - HYDRAULIC LINES - HYDRAULIC PUMP - CAB (08) - HYDRAULICS

Схема запчастей Case CX47 - (08-03[00]) - HYDRAULIC LINES - HYDRAULIC PUMP - CAB (08) - HYDRAULICS
24
29
7
4
11
9
4
2
29
11
23
27
11
9
14
6
19
17
16
30
11
11
16
29
10
15
18
2
20
29
3
29
26
29
9
25
11
5
7
24
3
25
3
5
11
10
8
1
12
12
2
21
22
20
29
8
24
13
19
28
FIT
1:1
100%

Артикул

Название

Примечание

Количество

1

2444T2505

HYD CONNECTOR

Incl.18

2шт.

2

PY30H01026P1

HOSE

1шт.

3

PY30H01027P1

HOSE

1шт.

4

PY30H01028P1

HOSE

1шт.

5

PH30H01016P1

HOSE ASSY.

1шт.

6

HH25R08008G3

COUPLING

Incl. 29

1шт.

7

PH30H01023P1

HOSE ASSY.

1шт.

8

2420T2948D5

U-BOLT

3шт.

9

ZW16H08000

WASHER

8шт.

10

ZN18C08007

NUT

12шт.

11

ZC16X05100

CLIP

8шт.

12

PH30H01019P1

TUBE

1шт.

13

ZD11G05000

O-RING,3.1mm Thk x 49.4mm ID, 70 Duro

1шт.

14

ZS28C12035

CAPSCREW,Hex Socket Head, M12 x 35mm

4шт.

15

ZW26K12000

LOCK WASHER

4шт.

16

HH25S08008G1

HYD CONNECTOR

Incl. 29

2шт.

17

2444Z2894

90 ELBOW

1шт.

18

HH25R08008GB

HYD CONNECTOR

Incl. 29

1шт.

19

HH35S08008G1

90 ELBOW

2шт.

20

HH45S08008G1

45 ELBOW

Incl. 29

2шт.

21

PH30H01018P1

BRACKET

1шт.

22

2444Z3889

HYD CONNECTOR

Incl. 29

1шт.

23

2444Z3715

90 ELBOW

1шт.

24

PH30H01017P1

TUBE

1шт.

25

ZE72X04000

PLUG

3шт.

26

ZS18C08020

SCREW,Hex, M8 x 20mm

2шт.

27

HH55Q08008G4

TEE

1шт.

28

ZD12P01400

O-RING

1шт.

29

ZD12P01800

O-RING

5шт.

Выбрано товаров: 29