Качественные детали и логистика
Оригинальные и аналоговые запчасти с доставкой по России, Казахстану и Беларуси
©2022 PartSell ООО "Система" ИНН 2463123282 ОГРН 1212400004838
Центральный офис: г. Красноярск, Академика Киренского, д.87, пом.4
Телефон: 8 (800) 777-65-74 Email: zakaz@partsell.ru
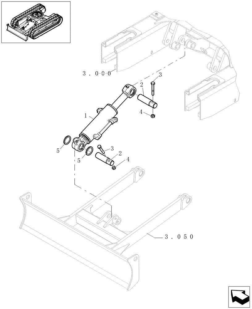
(3.051[02]) - DOZER CILINDER
№
Артикул
Название
Примечание
Количество
1
72275071
CYLINDER
1шт.
See Page 3.051 03
2
72271457
PIN,30mm OD x 116mm L
2шт.
3
11107634
SCREW
10x65
4
12577211
LOCK NUT,M10 x 1.5mm Pitch, 12.30mm High, Cl 8, ZND
4шт.
5
72270985
SHIM
Выбрано товаров: 0