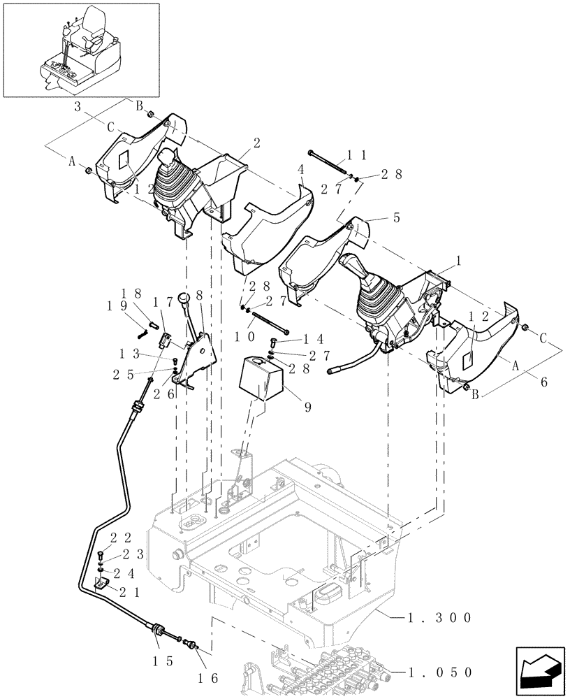
Запчасти Case CX16B (1.070[02]) - CONTROLS OPERATOR (90) - PLATFORM, CAB, BODYWORK AND DECALS

Схема запчастей Case CX16B - (1.070[02]) - CONTROLS OPERATOR (90) - PLATFORM, CAB, BODYWORK AND DECALS
28
27
c
26
c
12
4
18
25
13
28
b
24
1
5
19
23
22
14
21
11
28
17
12
10
15
b
9
1.300
6
2
1.050
27
16
a
27
3
8
a
FIT
1:1
100%

Артикул

Название

Примечание

Количество

1

72276947

SET OF PARTS

1шт.

See Page 1.070 03

1шт.

2

72271575

CONTROL BLOCK

1шт.

See Page 1.070 06

1шт.

3

72275114

COVER

1шт.

3a

72275117

PLUG

1шт.

3b

72275120

PLUG

1шт.

3c

72273543

COVER

1шт.

4

72273703

COVER

1шт.

5

72273543

COVER

1шт.

6

72275124

COVER

1шт.

6a

72273703

COVER

1шт.

6b

72275117

PLUG

1шт.

6c

72275120

PLUG

1шт.

8

72275108

LEVER

1шт.

See Page 1.070 08

1шт.

9

72275200

COVER

1шт.

10

72275290

SCREW

5X92

2шт.

11

72275291

SCREW

5X107

2шт.

12

72272326

INSULATOR

2шт.

13

16043434

BOLT,Hex, M8 x 1.25 x 20mm, Cl 10.9, Full Thd

5шт.

14

10977821

BOLT,M5 x 19.65mm OAL, Cl 8.8

5X12

2шт.

15

72272327

CABLE

1шт.

16

72272545

BALL JOINT

1шт.

17

10248171

COUPLING

1шт.

18

10004911

PIN,6mm OD x 17mm L

1шт.

19

10734301

COTTER PIN,M2 x 18

1шт.

21

71420700

RETAINER COLLAR

1шт.

22

10902234

BOLT,Hex, M6 x 16mm, Cl 10.9, Full Thd

1шт.

23

10571579

LOCK WASHER,M6

1шт.

24

10519421

WASHER,6.4mm ID x 11.95mm OD x 1.6mm Thk

1шт.

25

10571779

LOCK WASHER,Helical Spring, 8.10mm ID x 14.80mm OD x 2.00mm, ZNM

5шт.

26

14496521

WASHER,8.4mm ID x 17mm OD x 1.6mm Thk

5шт.

27

10576479

LOCK WASHER

5

6шт.

28

13506721

WASHER,5.15mm ID x 10mm OD x 0.8mm Thk

5

6шт.

Выбрано товаров: 35