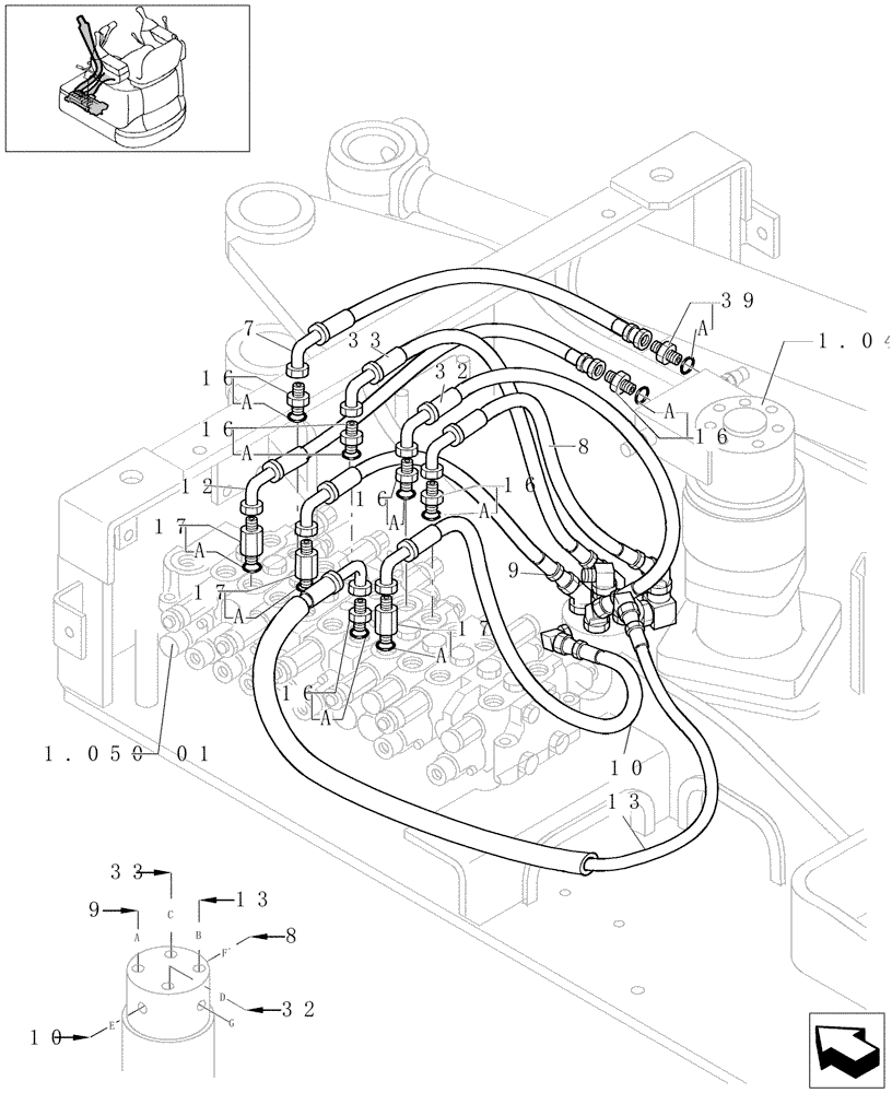
Запчасти Case CX16B (1.050[17]) - CONTROL VALVE PIPING (35) - HYDRAULIC SYSTEMS

Схема запчастей Case CX16B - (1.050[17]) - CONTROL VALVE PIPING (35) - HYDRAULIC SYSTEMS
13
a
1.050 01
c
32
39
8
16
a
a
10
16
a
9
17
1.040
10
33
f
16
d
17
e
a
a
a
17
a
33
b
12
16
16
g
a
9
32
16
a
7
a
8
13
FIT
1:1
100%

Артикул

Название

Примечание

Количество

7

72272012

HOSE

1шт.

8

72272013

HOSE

1шт.

9

72272014

HOSE

1шт.

10

72274625

HOSE

1шт.

12

72274628

HOSE

1шт.

13

72274670

HOSE

1шт.

16

72271291

HYD CONNECTOR

6шт.

16a

71404165

O-RING,2.4mm Thk x 13.8mm ID, 90 Duro

6шт.

17

72274629

HYD CONNECTOR

3шт.

17a

71404165

O-RING,2.4mm Thk x 13.8mm ID, 90 Duro

3шт.

32

72274676

HOSE

1шт.

33

72274675

HOSE

1шт.

39

72276024

ELBOW

1шт.

39a

71404165

O-RING,2.4mm Thk x 13.8mm ID, 90 Duro

1шт.

Выбрано товаров: 14