Запчасти Case CX17B (02-001[00]) - LOWER FRAME GROUP (PU02F00034F1, PU53D00016F1, PU19H00016F1) (39) - FRAMES AND BALLASTING

Схема запчастей Case CX17B - (02-001[00]) - LOWER FRAME GROUP (PU02F00034F1, PU53D00016F1, PU19H00016F1) (39) - FRAMES AND BALLASTING
a9
a8
a12
c2
a6
a10
a11
a4
a7
a4
a9
c1
a11
a6
b1
b2
a5
b3
b3
a1
a2
a3
a11
a4
a12
a8
a7
a8
a7
b2
a7
a11
a5
a8
a12
a4
b1
FIT
1:1
100%

Артикул

Название

Примечание

Количество

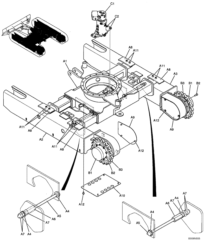
LOWER FRAME GROUP

1шт.

PU02F00034F1

FRAME

ASSY, LOWER (PU02F00034F1)

1шт.

a1

PU02F00035P1

Frame

1шт.

a2

PU07F00025P1

FRAME

Crawler, Left-Hand

1шт.

a3

PU07F00026P1

Frame, Crawler, Right-Hand

1шт.

a4

ZW16H16000

WASHER

4шт.

a5

PU02F01115P1

BOLT

Bolt

2шт.

a6

PU02F01116P1

NUT

Nut

2шт.

a7

ZN18C16013

NUT

6шт.

a8

PU02F01092P1

PLATE

Plate

4шт.

a9

PU02F01093P1

COVER

Cover

2шт.

a10

PU02F01117P1

COVER

Cover

1шт.

a11

ZS28C10020

SCREW,Hex Socket Head, M10 x 20mm

8шт.

a12

ZM73C08016

BOLT,M8x16mm - Course Thread

Bolt

10шт.

PU53D00016F1

MOTOR INSTAL, PROPEL (PU53D00016F1)

1шт.

b1

PU15V00021F1

HYDRAULIC MOTOR

Motor Assy, Propel; See Figure 08-020

2шт.

b2

ZS28C10025

SCREW,Hex Socket Head, M10 x 25mm

30шт.

b3

PE53D00001P1

SPROCKET

2шт.

PU19H00016F1

JOINT INSTAL, SWIVEL (PU19H00016F1)

1шт.

c1

PA55V00001F3

HYDRAULIC SWIVEL

Joint, Swivel; See Figure 08-033

1шт.

c2

ZM73C08020

BOLT,M8x20mm - Course Thread

Bolt

4шт.

Выбрано товаров: 0