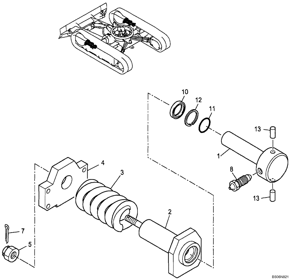
Запчасти Case CX17B (02-006[00]) - IDLER ADJUSTER ASSY (PE54D00001F1) (48) - TRACKS & TRACK SUSPENSION

Схема запчастей Case CX17B - (02-006[00]) - IDLER ADJUSTER ASSY (PE54D00001F1) (48) - TRACKS & TRACK SUSPENSION
4
5
10
3
13
11
7
2
12
1
13
8
FIT
1:1
100%

Артикул

Название

Примечание

Количество

PE54D00001F1

IDLER

ADJUSTER ASSY (PE54D00001F1)

1шт.

1

PM01V01001P2

PISTON

1шт.

2

PE70V00001P1

CYLINDER

Grease

1шт.

3

PE54D01001P1

SPRING

1шт.

4

PM54D01016P1

BRACKET

1шт.

5

PU03M01055D2

NUT

1шт.

7

ZP15D04040

COTTER PIN

1шт.

8

2444P803

LUBE NIPPLE,5/8" - 18 x 64mm L, 19mm Hex

1шт.

10

PU54D01005D1

SEAL KIT

OIL SEAL

1шт.

11

ZD12P03000

O-RING

1шт.

12

ZD85P03000

BACK-UP RING

1шт.

13

PE54D01002P1

COTTER PIN

2шт.

Выбрано товаров: 12