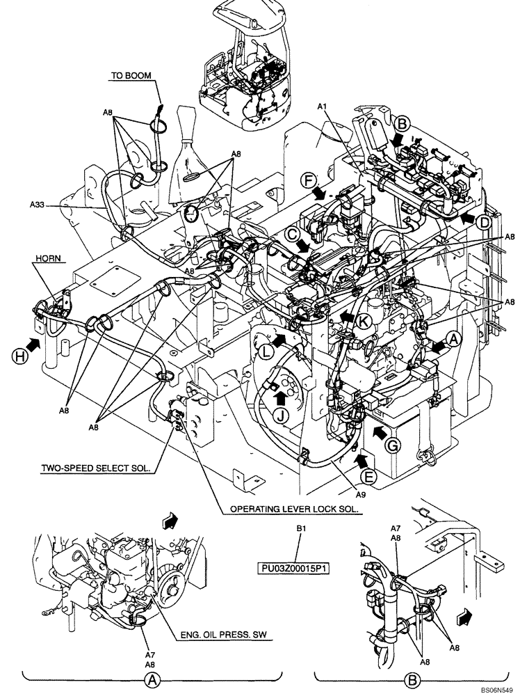
Запчасти Case CX17B (01-042[00]) - ELECTRICAL ASSY, UPPER (HARNESS) (PU03E00002F1) (55) - ELECTRICAL SYSTEMS

Схема запчастей Case CX17B - (01-042[00]) - ELECTRICAL ASSY, UPPER (HARNESS) (PU03E00002F1) (55) - ELECTRICAL SYSTEMS
a8
a33
a7
a8
a8
a8
b1
a8
a8
a7
a8
a1
a9
a8
a8
a8
FIT
1:1
100%

Артикул

Название

Примечание

Количество

PU03E00002F1

ELECTRICAL ASSY, UPPER (PU03E00002F1)

1шт.

a1

PU24E00016F1

Relay Assy; See Figure 01-044

1шт.

a7

YN13E01375P1

CLIP,M8 x 8.20mm Shank

Clip

2шт.

a8

PY01P01043D3

CABLE TIE,188mm L

26шт.

a9

PU13E01049P1

CABLE

Cable

1шт.

a33

PU13E01052P1

HARNESS

Harness

1шт.

b1

PU03Z00015P1

SCHMATIC, ELEC; NOT SERVICED (PU03Z00015P1)

1шт.

Выбрано товаров: 7