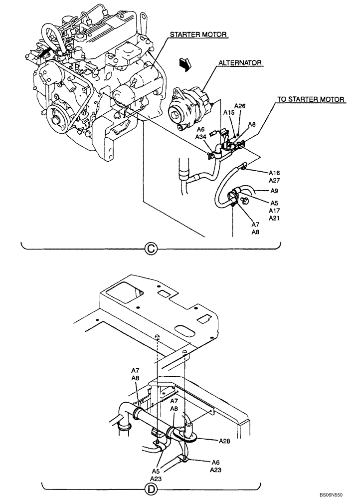
Запчасти Case CX17B (01-042[01]) - ELECTRICAL ASSY, UPPER (HARDWARE) (55) - ELECTRICAL SYSTEMS

Схема запчастей Case CX17B - (01-042[01]) - ELECTRICAL ASSY, UPPER (HARDWARE) (55) - ELECTRICAL SYSTEMS
a6
a21
a15
a5
a7
a5
a8
a27
a9
a17
a28
a8
a8
a6
a34
a7
a23
a8
a23
a7
a16
a26
FIT
1:1
100%

Артикул

Название

Примечание

Количество

a5

EW02E01015D6

CLIP

2шт.

a6

EW02E01015D8

CLIP

2шт.

a7

YN13E01375P1

CLIP,M8 x 8.20mm Shank

Clip

3шт.

a8

PY01P01043D3

CABLE TIE,188mm L

4шт.

a9

PU13E01049P1

CABLE

Cable

1шт.

a15

ZW16P05000

WASHER

1шт.

a16

ZW16P08000

WASHER

ID 08 x OD 17 x Th 1.6mm

1шт.

a17

ZW16P10000

WASHER

1шт.

a21

ZS18F10020

BOLT,Hex, M10 x 20mm

1шт.

a23

ZM73C08016

BOLT,M8x16mm - Course Thread

Bolt

2шт.

a26

ZN18C05004

NUT

1шт.

a27

ZN18C08007

NUT

1шт.

a28

PU13E01053P1

GROMMET

Grommet

1шт.

a34

ZM73C08020

BOLT,M8x20mm - Course Thread

Bolt

1шт.

Выбрано товаров: 14