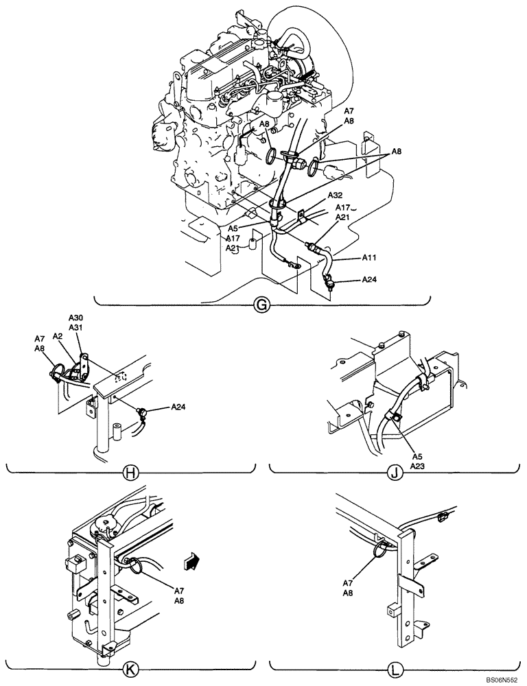
Запчасти Case CX17B (01-042[03]) - ELECTRICAL ASSY, UPPER (HORN) (55) - ELECTRICAL SYSTEMS

Схема запчастей Case CX17B - (01-042[03]) - ELECTRICAL ASSY, UPPER (HORN) (55) - ELECTRICAL SYSTEMS
a8
a5
a21
a24
a7
a23
a8
a24
a7
a11
a31
a7
a5
a2
a21
a30
a7
a32
a8
a17
a8
a8
a17
FIT
1:1
100%

Артикул

Название

Примечание

Количество

a2

PY53S00002P1

HORN

1шт.

a5

EW02E01015D6

CLIP

2шт.

a7

YN13E01375P1

CLIP,M8 x 8.20mm Shank

Clip

4шт.

a8

PY01P01043D3

CABLE TIE,188mm L

7шт.

a11

PU13E01051P1

CABLE

Cable

1шт.

a17

ZW16P10000

WASHER

2шт.

a21

ZS18F10020

BOLT,Hex, M10 x 20mm

2шт.

a23

ZM73C08016

BOLT,M8x16mm - Course Thread

Bolt

1шт.

a24

ZM73C10020

BOLT,M10x20mm - Course Thread

Bolt

2шт.

a30

ZS18C08014

SCREW,Hex, M8 x 14mm

1шт.

a31

ZW16H08000

WASHER

1шт.

a32

EW02E01015D3

CLIP

1шт.

Выбрано товаров: 12