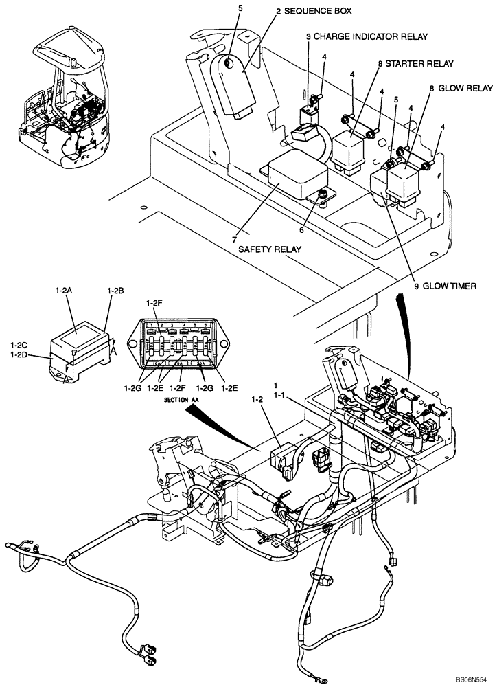
Запчасти Case CX17B (01-044[00]) - RELAY ASSY (HARNESS) (PU24E00016F1) (55) - ELECTRICAL SYSTEMS

Схема запчастей Case CX17B - (01-044[00]) - RELAY ASSY (HARNESS) (PU24E00016F1) (55) - ELECTRICAL SYSTEMS
1-2g
1-2f
1-2f
6
4
1-2
2
4
8
3
1-2e
1
8
5
1-1
4
1-2c
1-2b
7
4
1-2d
9
1-2g
1-2a
4
1-2e
5
FIT
1:1
100%

Артикул

Название

Примечание

Количество

PU24E00016F1

RELAY ASSY (PU24E00016F1)

1шт.

1

PU13E01046P1

HARNESS

Harness

1шт.

1-1

NSS

NOT SOLD SEPARAT

Harness

1шт.

1-2

PU73E00001F1

Fuse Assy

1шт.

1-2a

PU73E01001P1

LABEL

Label

1шт.

1-2b

2479U1458S2

COVER

1шт.

1-2c

2479U1458S1

BASE

1шт.

1-2d

2479U1458S3

BLOCK

1шт.

1-2e

2479R655S8

FUSE,10 Amp

3шт.

1-2f

2479R655S9

FUSE,20 Amp

2шт.

1-2g

YN73E00001S022

FUSE,30 Amp

4шт.

2

PA24S00002P3

RELAY,DC12V

1шт.

3

PA24E01001P1

RELAY,12V - 20amp

1шт.

4

ZM61C05016

BOLT

5шт.

5

ZM61C05020

SCREW

2шт.

6

ZM61C06016

BOLT

2шт.

7

VAMM130767

RELAY

Safety

1шт.

8

VAMM43128201

RELAY

Glow

2шт.

9

VAMM436811

TIMER

Glow Timer

1шт.

Выбрано товаров: 19