Качественные детали и логистика
Оригинальные и аналоговые запчасти с доставкой по России, Казахстану и Беларуси
©2022 PartSell ООО "Система" ИНН 2463123282 ОГРН 1212400004838
Центральный офис: г. Красноярск, Академика Киренского, д.87, пом.4
Телефон: 8 (800) 777-65-74 Email: zakaz@partsell.ru
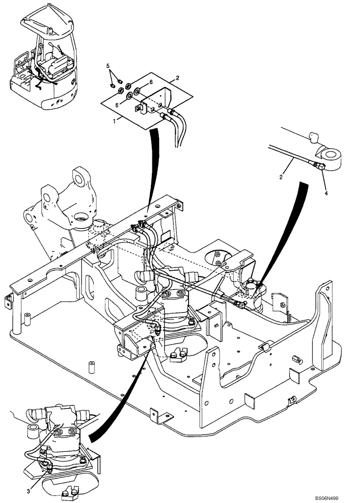
(01-016[00]) - LUBRICATION LINES (PU71H00012F1)
№
Артикул
Название
Примечание
Количество
PU71H00012F1
LUBRICATION LINES (PU71H00012F1)
1шт.
1
PM52F01221D5
HOSE
Hose
2
PH42H01008D6
FLEXIBLE HOSE
3
HH25Z04002G1
CONNECTION
4
PV03H01004P1
90 ELBOW
5
ZG91S02000
LUBE NIPPLE,1/8" NPT x 1/8" NPT
2шт.
6
ZW16P16000
WASHER
Washer
Выбрано товаров: 0