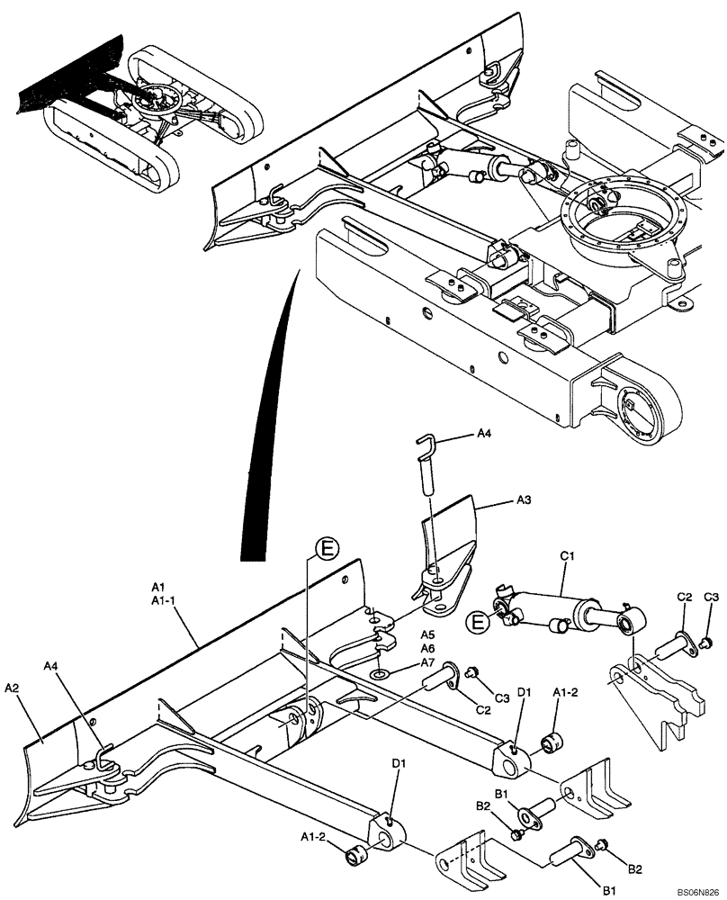
Запчасти Case CX17B (02-010[00]) - DOZER ASSY, FRAME (PU51B00023F1, 25F1, 26F1, 24F1) (83) - TELESCOPIC SINGLE ARM

Схема запчастей Case CX17B - (02-010[00]) - DOZER ASSY, FRAME (PU51B00023F1, 25F1, 26F1, 24F1) (83) - TELESCOPIC SINGLE ARM
c1
a2
c2
a7
a6
a3
a1-1
b1
c3
a4
c3
b2
c2
a4
a1-2
b1
d1
a1
a5
b2
a1-2
d1
FIT
1:1
100%

Артикул

Название

Примечание

Количество

PU51B00023F1

DOZER ASSY (PU51B00023F1)

1шт.

a1

PU51B00029F1

DOZER BLADE

Dozer Assy

1шт.

a1-1

PU51B00027P1

Dozer

1шт.

a1-2

PN51B01005P1

BUSHING

2шт.

a2

PU51B01051P1

BRACKET

Bracket

1шт.

a3

PU51B01052P1

BRACKET

Bracket

1шт.

a4

PU51B01057P1

PIN ASSY.

Pin Assy

2шт.

a5

PF51B01019D1

SHIM,0.5mm Thk

2шт.

a6

PF51B01019D2

SHIM,0.9mm Thk

2шт.

a7

PF51B01019D3

SHIM,2.0mm Thk

2шт.

PU51B00025F1

DOZER INSTAL (PU51B00025F1)

1шт.

b1

PU51B01060P1

PIN ASSY.

Pin Assy

2шт.

b2

ZM73C12020

BOLT,M12x20mm - Course Thread

Bolt

2шт.

PU51B00026F1

CYLINDER INSTAL (PU51B00026F1)

1шт.

c1

PU01V00029F1

CYLINDER

Cylinder, Dozer; See Figure 08-025

1шт.

c2

PU51B01060P1

PIN ASSY.

Pin Assy

2шт.

c3

ZM73C12020

BOLT,M12x20mm - Course Thread

Bolt

2шт.

PU51B00024F1

DOZER GROUP (PU51B00024F1)

1шт.

d1

ZG91V02000

LUBE NIPPLE,67 Degree x 1/8" PT

2шт.

Выбрано товаров: 19