Запчасти Case CX17B (01-034[00]) - FLOORPLATE & FLOORMAT (PU03M00035F1) (84) - BOOMS, DIPPERS & BUCKETS

Схема запчастей Case CX17B - (01-034[00]) - FLOORPLATE & FLOORMAT (PU03M00035F1) (84) - BOOMS, DIPPERS & BUCKETS
6
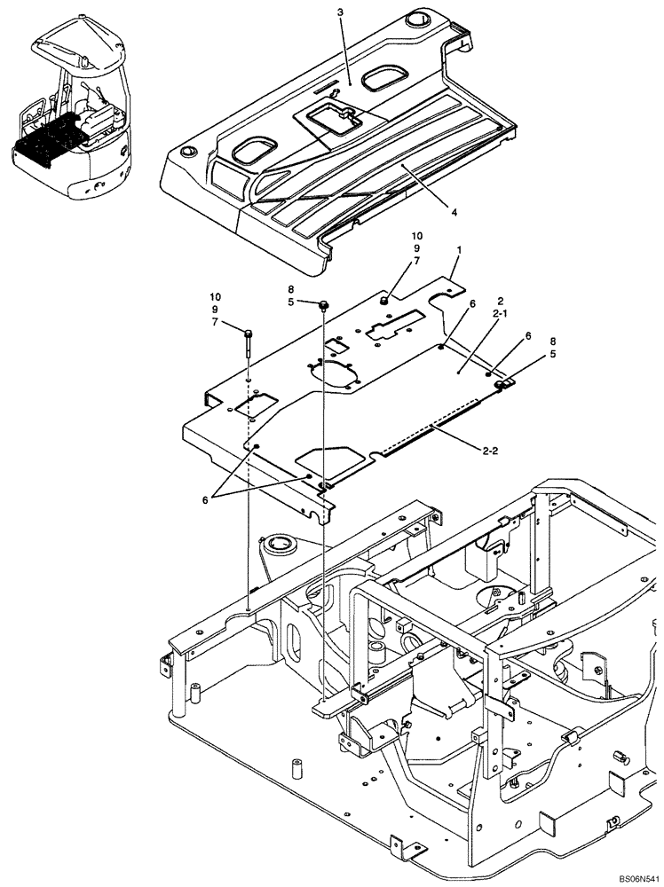
8
9
8
2-1
6
1
2-2
10
5
4
7
5
3
6
9
2
7
10
FIT
1:1
100%

Артикул

Название

Примечание

Количество

PU03M00035F1

PLATE

PLATE GROUP, FLOOR (PU03M00035F1)

1шт.

1

PU03M01324P1

PLATE

1шт.

2

PU03M01138F1

COVER ASSY

Cover Assy

1шт.

2-1

PU03M01132P1

Plate

1шт.

2-2

YW21C01100D2

INSULATING PANEL

Rubber

1шт.

3

PU26M00012P1

FLOOR MAT

Mat, Floor

1шт.

4

PU26M00006F1

FLOOR MAT

Mat Assy, Floor

1шт.

5

ZM73C08020

BOLT,M8x20mm - Course Thread

Bolt

4шт.

6

ZS28C06012

CAPSCREW,Hex Socket Head, M6 x 12mm

4шт.

7

ZS18C08070

SCREW,Hex, M8 x 70mm

2шт.

8

YR21C01161P1

WASHER,9mm ID x 22mm OD x 2.3mm Thk

2шт.

9

ZW26X08000

LOCK WASHER

Lock

2шт.

10

ZW16H08000

WASHER

2шт.

Выбрано товаров: 0