Запчасти Case CX17B (01-039[00]) - KEY ASSY (PW03M01870F1) (84) - BOOMS, DIPPERS & BUCKETS

Схема запчастей Case CX17B - (01-039[00]) - KEY ASSY (PW03M01870F1) (84) - BOOMS, DIPPERS & BUCKETS
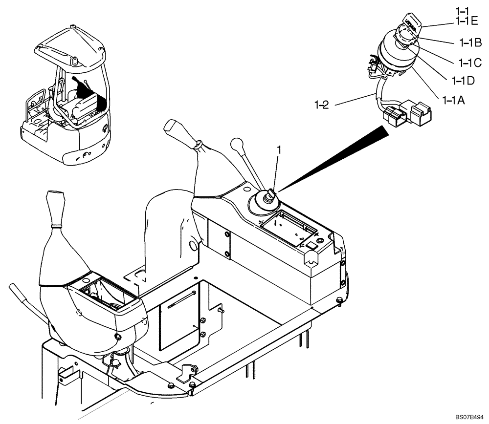
1-1a
1
1-2
1-1c
1-1e
1-1b
1-1
1-1d
FIT
1:1
100%

Артикул

Название

Примечание

Количество

.

KEY ASSY (PW03M01870F1)

1шт.

1

PW50E00003F1

IGNITION SWITCH

Switch Assy

1шт.

1-1

PW50S00007F1

IGNITION SWITCH

Switch Assy, Key

1шт.

1-1a

PW50S00005S001

SWITCH

Switch

1шт.

1-1b

PW50S00004S004

NUT

Nut Assy

1шт.

1-1c

YN50S00002S005

WASHER

Washer

1шт.

1-1d

YN50S00002S003

WASHER

Washer

2шт.

1-1e

PM50S01001P1

SET OF 2 KEYS

KEY, LOCK

1шт.

1-2

PW50E01002P1

HARNESS

Harness

1шт.

Выбрано товаров: 9