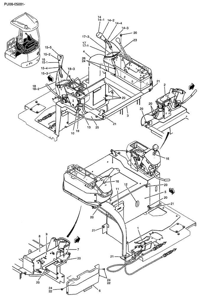
Запчасти Case CX17B (01-022[00]) - CONTROLS, OPERATOR (PU03M00033F1) (90) - PLATFORM, CAB, BODYWORK AND DECALS

Схема запчастей Case CX17B - (01-022[00]) - CONTROLS, OPERATOR (PU03M00033F1) (90) - PLATFORM, CAB, BODYWORK AND DECALS
21
14-4
9
3
20
13
18-2
4
11
14-3
14-1
15-4
20
22
16
15-5
20
24
15
26
25
17
15-2
2
20
23
17-1
24
20
20
12
19
16
18
20
21
20
17-3
5
18-3
24
14
8
10
20
6
21
15-3
1
22
15-1
7
14-2
21
21
FIT
1:1
100%

Артикул

Название

Примечание

Количество

.

Controls, Operators, PU03M00033F1, Incl 1 - 26

1шт.

1

NSS

NOT SOLD SEPARAT

Pedal Install PU55M00003F1, See Figure 01-029

1шт.

2

NSS

NOT SOLD SEPARAT

Control box Assembly PU03M00036F1, See Figure 01-025

1шт.

3

PU10M01110P3

STAND

1шт.

4

PU10M01097P2

COVER

1шт.

5

PU03M01325P1

COVER

1шт.

6

PU03M01318P2

COVER

1шт.

7

PU03M01346P2

COVER

1шт.

8

PU03M01321P2

COVER

1шт.

9

PU03M01348P2

BOX

1шт.

10

PU10M01070P1

PLATE

1шт.

11

PU03M01273P1

COVER

1шт.

12

PF21C01135P1

RUBBER

1шт.

13

PU03M01393P1

RUBBER

1шт.

14

PW03M01630F1

GRIP

Assembly, Incl 14-1 - 14-4

1шт.

14-1

YW03M01011P2

KNOB

Grip

1шт.

14-2

YN03M01252P1

SCREW

1шт.

14-3

PW03M01632P1

LEVER

1шт.

14-4

PW03M01633P1

RING

1шт.

15

PW03M01634F1

GRIP

Assembly, Incl 15-1 - 15-5

1шт.

15-1

YN03M01246P2

HANDLE GRIP

1шт.

15-2

YN03M01252P1

SCREW

1шт.

15-3

PW03M01632P1

LEVER

1шт.

15-4

PW03M01633P1

RING

1шт.

15-5

YN50E01001P2

SWITCH ASSY

Horn

1шт.

16

ZN18C14011

NUT

M14x2.0mm

2шт.

17

PA03M01100F1

BOOT

Assembly, Incl 17-1 & 17-3

1шт.

17-1

YT03M01052P1

BOOT

1шт.

17-3

YT03M01051P2

PLATE

1шт.

18

PA03M01100F2

BOOT

Assembly, Incl 18-2 &18-3

1шт.

18-2

YT03M01053P1

BOOT

1шт.

18-3

YT03M01051P2

PLATE

1шт.

19

PA03M01013P1

RUBBER

1шт.

20

PU03M01319P1

BOLT

Sems

12шт.

21

PU03M01279P1

BOLT

Sems

5шт.

22

PU21C01221D1

CAP

Screw

4шт.

23

NSS

NOT SOLD SEPARAT

Lever Assembly PU03M01308F1, See Figure 01-028

1шт.

24

PU21C01222P1

WASHER

6шт.

25

PU10M01108P2

PLATE

1шт.

26

PU21C01221D2

CAP

Screw

2шт.

Выбрано товаров: 40