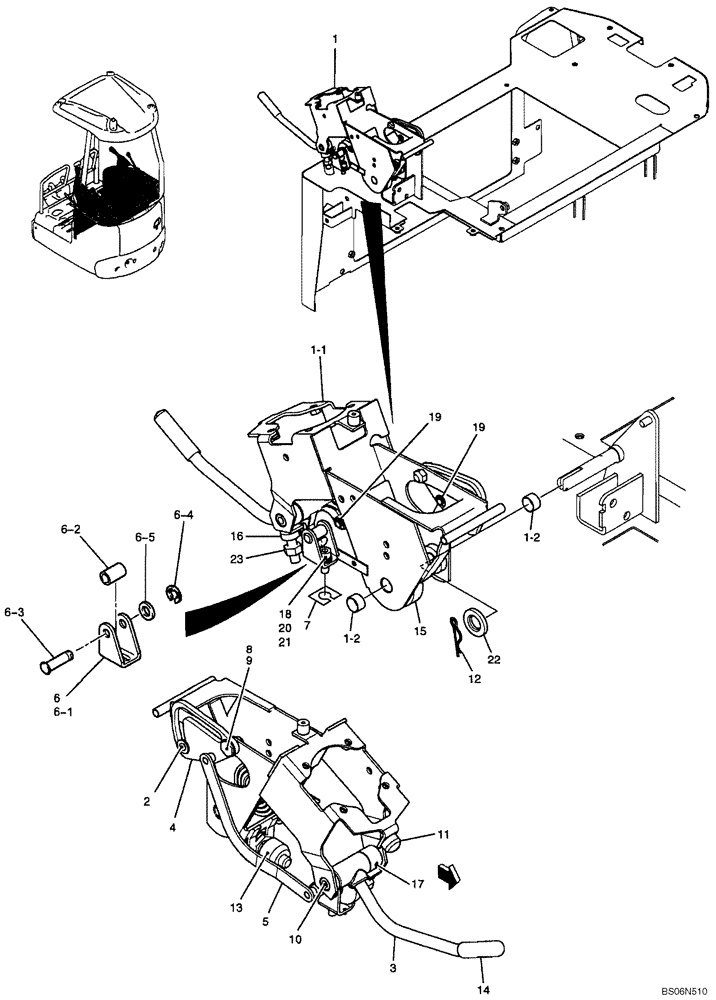
Запчасти Case CX17B (01-025[00]) - CONTROL BOX ASSY (LH) (PU03M00036F1) (90) - PLATFORM, CAB, BODYWORK AND DECALS

Схема запчастей Case CX17B - (01-025[00]) - CONTROL BOX ASSY (LH) (PU03M00036F1) (90) - PLATFORM, CAB, BODYWORK AND DECALS
18
7
22
4
6-2
17
1-1
6-4
2
6-3
6-1
10
6
23
16
5
14
9
11
8
1-2
6-5
13
19
1-2
21
12
20
15
3
1
19
FIT
1:1
100%

Артикул

Название

Примечание

Количество

PU03M00036F1

CONTROL BOX ASSY (Left-Hand) (PU03M00036F1)

1шт.

1

PU03M00037F1

CONTROL

Control Box Assy

1шт.

1-1

PU03M01355P2

Control Box

1шт.

1-2

2405R312D1610

BUSHING

2шт.

2

YT03M01099P1

ROLLER

1шт.

3

PM03M01191F2

LOCK

Assy

1шт.

4

PW03M01219P1

PLATE

1шт.

5

PW03M01218P2

ROD

1шт.

6

PM03M01221F1

SUPPORT

Assy

1шт.

6-1

PM03M01296P1

SUPPORT

1шт.

6-2

YT03M01066P1

ROLLER,12.7mm OD x 19mm L

1шт.

6-3

YT03M01065P1

PIN

1шт.

6-4

ZR36X00700

RING

Retaining

1шт.

6-5

ZW16X08000

WASHER,8mm ID x 17mm OD x 1.6mm Thk

1шт.

7

YT03M01144P1

SHIM

1шт.

8

PA03M01070P1

SHAFT

1шт.

9

PA03M01171P1

WASHER

1шт.

10

PA03M01073P1

SHAFT

1шт.

11

PA03M01013P1

RUBBER

1шт.

12

2419R9D6

PIN

1шт.

13

PA50S00001P1

LIMIT SWITCH

1шт.

14

2414Z270D1

CAP

1шт.

15

PH03M01017P1

SPRING

1шт.

16

PY06C01040P1

STOP

1шт.

17

ZS83C05006

SET SCREW

1шт.

18

ZS28C08020

SCREW,Hex Socket Head, M8 x 20mm

1шт.

19

ZR36X00700

RING

Retaining

2шт.

20

ZW26K08000

LOCK WASHER

1шт.

21

ZW16K08000

WASHER,8mm ID x 15.5mm OD x 1.6mm Thk

1шт.

22

ZW16H16000

WASHER

1шт.

23

ZN18F10008

NUT

1шт.

Выбрано товаров: 31