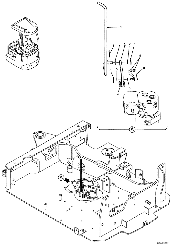
Запчасти Case CX17B (01-027[00]) - LEVER ASSY, CONTROL (CRAWLER) (PU50M00014F1) (90) - PLATFORM, CAB, BODYWORK AND DECALS

Схема запчастей Case CX17B - (01-027[00]) - LEVER ASSY, CONTROL (CRAWLER) (PU50M00014F1) (90) - PLATFORM, CAB, BODYWORK AND DECALS
6
2
4
5
3
1
7
7
5
8
8
9
FIT
1:1
100%

Артикул

Название

Примечание

Количество

PU50M00014F1

LEVER ASSY, CONTROL (CRAWLER)(PU50M00014F1)

1шт.

1

PU50M01061P1

BAR

Bar

1шт.

2

PU50M01063P1

PLATE

Plate

1шт.

3

PU50M01064P1

PLATE

Plate

1шт.

4

PU50M01067P1

LINK

Link

1шт.

5

ZW16P05000

WASHER

2шт.

6

2419R9D1

COTTER PIN

1шт.

7

ZW16P08000

WASHER

ID 08 x OD 17 x Th 1.6mm

2шт.

8

2419R9D2

COTTER PIN

OD 08mm x 27.7mm Long

2шт.

9

ZS18C05016

CAPSCREW,Hex, M5 x 16mm

Screw

2шт.

Выбрано товаров: 10