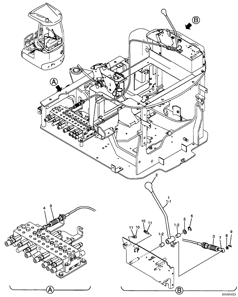
Запчасти Case CX17B (01-028[00]) - LEVER ASSY, CONTROL (DOZER) (PU03M01308F1) (90) - PLATFORM, CAB, BODYWORK AND DECALS

Схема запчастей Case CX17B - (01-028[00]) - LEVER ASSY, CONTROL (DOZER) (PU03M01308F1) (90) - PLATFORM, CAB, BODYWORK AND DECALS
5
1-2
10
1
1-1
6
7
11
3
10
2
8
1-2
11
4
9
3
FIT
1:1
100%

Артикул

Название

Примечание

Количество

PU03M01308F1

LEVER ASSY, CONTROL (DOZER)(PU03M01308F1)

1шт.

1

PU03M01359F1

LEVER

Lever Assy

1шт.

1-1

PU03M01360P1

Lever

1шт.

1-2

2405R312D1420

BUSHING

2шт.

2

PV03M01043P1

HANDLE GRIP

1шт.

3

PM03M01448DC

CABLE

Cable, Control

1шт.

4

2420R736D2

END

Rod

1шт.

5

ZW16K14000

WASHER

1шт.

6

ZR36X01200

RING

Snap

1шт.

7

PW55M01031P1

BALL JOINT

Ball Joint

1шт.

8

ZW16H06000

WASHER

1шт.

9

2419R9D1

COTTER PIN

1шт.

10

HS18C06025G1

CAP

Screw

2шт.

11

ZN18C06005

NUT

2шт.

Выбрано товаров: 14