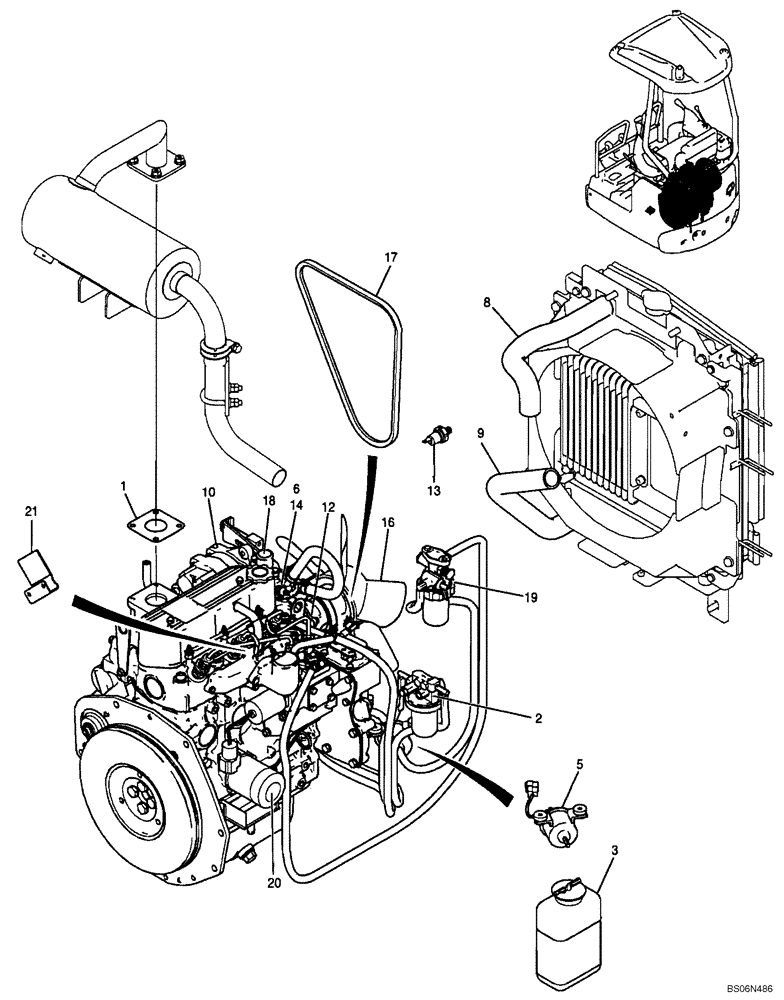
Запчасти Case CX17B (01-004[00]) - ENGINE ASSY (PU02P00013F1) (10) - ENGINE

Схема запчастей Case CX17B - (01-004[00]) - ENGINE ASSY (PU02P00013F1) (10) - ENGINE
6
8
18
20
17
10
19
1
5
14
3
16
12
9
13
2
21
FIT
1:1
100%

Артикул

Название

Примечание

Количество

.

PU02P00013F1

ENGINE

ENGINE ASSY (PU02P00013F1); See Figure 01-005

1шт.

1

PU12P01019P1

GASKET

Gasket

1шт.

2

PU02P01026P1

SEPARATOR

Separator Assy, Water; See Figure 01-010

1шт.

3

PU05P01018F1

TANK

Tank Assy, Water, Sub; See Figure 01-006

1шт.

5

PU22P00001P1

FUEL PUMP

Pump, Fuel; See Figure 01-010

1шт.

8

PU05P01016P1

RADIATOR HOSE

Radiator Hose; See Figure 01-006

1шт.

9

PU05P01017P1

RADIATOR HOSE

Radiator Hose; See Figure 01-006

1шт.

19

PU21P01010P1

FUEL FILTER

Filter, Fuel; See Figure 01-010

1шт.

21

PU05P01145P1

GUIDE

Guide

1шт.

.

MITSUBISHI DIESEL PART NO.

1шт.

1

VA30A3000200

GASKET

Gasket; See Figure 09-012

1шт.

2

VAMM130552

FILTER

Separator Assy, Water; See Figure 09-019

1шт.

5

VA31A6000600

PUMP

Pump, Fuel; See Figure 09-017

1шт.

6

VA3063625901

GASKET

Packing; See Figure 09-015

1шт.

10

VA30L6610500

STARTER MOTOR

Starter Assy; See Figure 09-025

1шт.

12

VA30A6800801

ALTERNATOR

Alternator; See Figure 09-029

1шт.

13

VA31A9000600

SWITCH ASSY

Pressure Switch, Oil; See Figure 09-013

1шт.

14

VAMM432104

SWITCH ASSY

Switch, Thermo; See Figure 09-015

1шт.

16

VA30L4801200

FAN

Fan; See Figure 09-016

1шт.

17

MD079696

FAN

V-Belt; See Figure 09-016

1шт.

18

VAMM43354801

THERMOSTAT

Thermostat; See Figure 09-015

1шт.

19

VAMM437020

FILTER ASSY

Filter, Fuel; See Figure 09-020

1шт.

20

VA30A4000103

ENGINE OIL FILTER

Filter, Oil; See Figure 09-013

1шт.

Выбрано товаров: 23