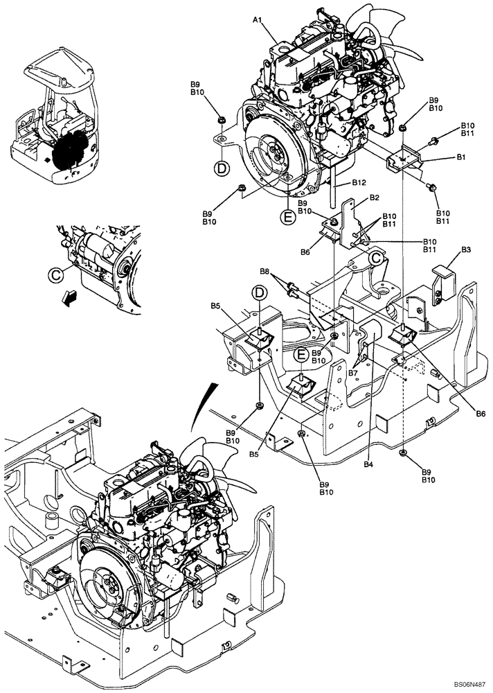
Запчасти Case CX17B (01-005[00]) - ENGINE INSTAL (PU02P00016F1) (10) - ENGINE

Схема запчастей Case CX17B - (01-005[00]) - ENGINE INSTAL (PU02P00016F1) (10) - ENGINE
b5
b9
b11
b2
b12
b10
b11
b10
b11
b10
b10
b9
b10
b9
b6
a1
b10
b9
b5
b10
b10
b4
b9
b10
b10
b9
b3
b9
b11
b1
b10
b8
b10
b9
b6
FIT
1:1
100%

Артикул

Название

Примечание

Количество

PU02P00016F1

ENGINE INSTAL (PU02P00016F1)

1шт.

a1

PU02P00013F1

ENGINE

Engine Assy; See Figure 01-004

1шт.

PU02P00015F1

Engine Instal

1шт.

b1

PU02P01025P1

BRACKET

Bracket

1шт.

b2

PU02P01002P1

BRACKET

Bracket

1шт.

b3

PU02P01003P1

STOP

Stopper

1шт.

b4

PU02P01015P1

STOP

Stopper

1шт.

b5

PM02P01037P1

RUBBER MOUNTING

2шт.

b6

PM02P01038P1

RUBBER MOUNTING

2шт.

b7

ZM73C10025

BOLT,M10x25mm - Course Thread

M10x1.50x25mm (Incls. Washer)

2шт.

b8

ZM73C10030

BOLT,M10x30mm - Course Thread

Bolt

2шт.

b9

ZN18C10008

NUT

8шт.

b10

ZW16H10000

WASHER

Washer

14шт.

b11

ZS18F10025

SCREW

6шт.

b12

PW02P01047D4

HOSE

Hose

1шт.

Выбрано товаров: 15