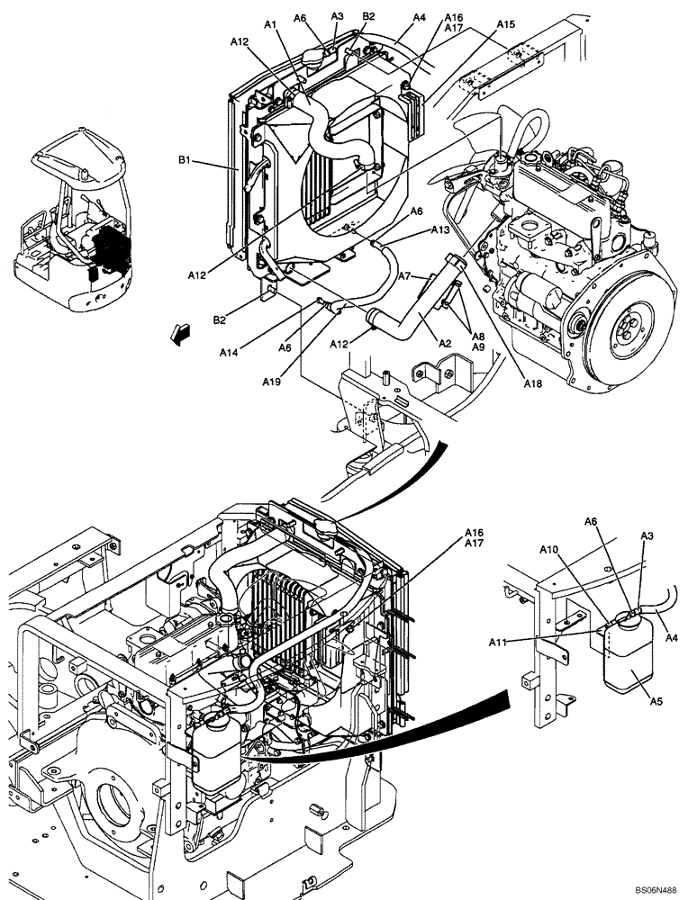
Запчасти Case CX17B (01-006[00]) - RADIATOR INSTAL (PU05P00016F1, 17F1) (10) - ENGINE

Схема запчастей Case CX17B - (01-006[00]) - RADIATOR INSTAL (PU05P00016F1, 17F1) (10) - ENGINE
a19
a18
a1
a6
a6
a3
a10
a8
a12
a11
a4
a6
a2
a12
a6
a17
a14
a12
b1
a16
a15
a3
a7
a4
a17
b2
a5
b2
a9
a13
a16
FIT
1:1
100%

Артикул

Название

Примечание

Количество

PU05P00016F1

RADIATOR GROUP (PU05P00016F1)

1шт.

a1

PU05P01016P1

RADIATOR HOSE

Hose, Radiator

1шт.

a2

PU05P01017P1

RADIATOR HOSE

Hose, Radiator

1шт.

a3

NSS

NOT SOLD SEPARAT

Hose, Not Serviced

1шт.

a4

PU13E01002DE

TUBE

1шт.

a5

PU05P01018F1

TANK

Tank Assy, Washersub

1шт.

a6

NSS

NOT SOLD SEPARAT

Clip, Not Serviced

4шт.

a7

PU05P01145P1

GUIDE

Guide

1шт.

a8

ZS18C06012

SCREW,Hex, M6 x 12mm

2шт.

a9

ZW16H06000

WASHER

2шт.

a10

ZM73C08020

BOLT,M8x20mm - Course Thread

Bolt

2шт.

a11

PU05P01117P1

BRACKET

1шт.

a12

ZC16X03300

FASTENER

3шт.

a13

NSS

NOT SOLD SEPARAT

Hose, Not Serviced

1шт.

a14

PW05P01117P1

PLUG

1шт.

a15

PU05P01073P1

PLATE

Plate

1шт.

a16

ZS18C08016

SCREW,Hex, M8 x 16mm

2шт.

a17

ZW16H08000

WASHER

2шт.

a18

PH05P01088D3

CLIP

1шт.

a19

PU13E01002DC

TUBE

1шт.

PU05P00017F1

RADIATOR INSTAL (PU05P00017F1)

1шт.

b1

PU05P00015F1

RADIATOR

Radiator Assy; See Figure 01-007

1шт.

b2

ZM73C10025

BOLT,M10x25mm - Course Thread

M10x1.50x25mm (Incls. Washer)

4шт.

Выбрано товаров: 23