Запчасти Case CX17B (01-008[00]) - AIR CLEANER ASSY (PU11P00006F1) (10) - ENGINE

Схема запчастей Case CX17B - (01-008[00]) - AIR CLEANER ASSY (PU11P00006F1) (10) - ENGINE
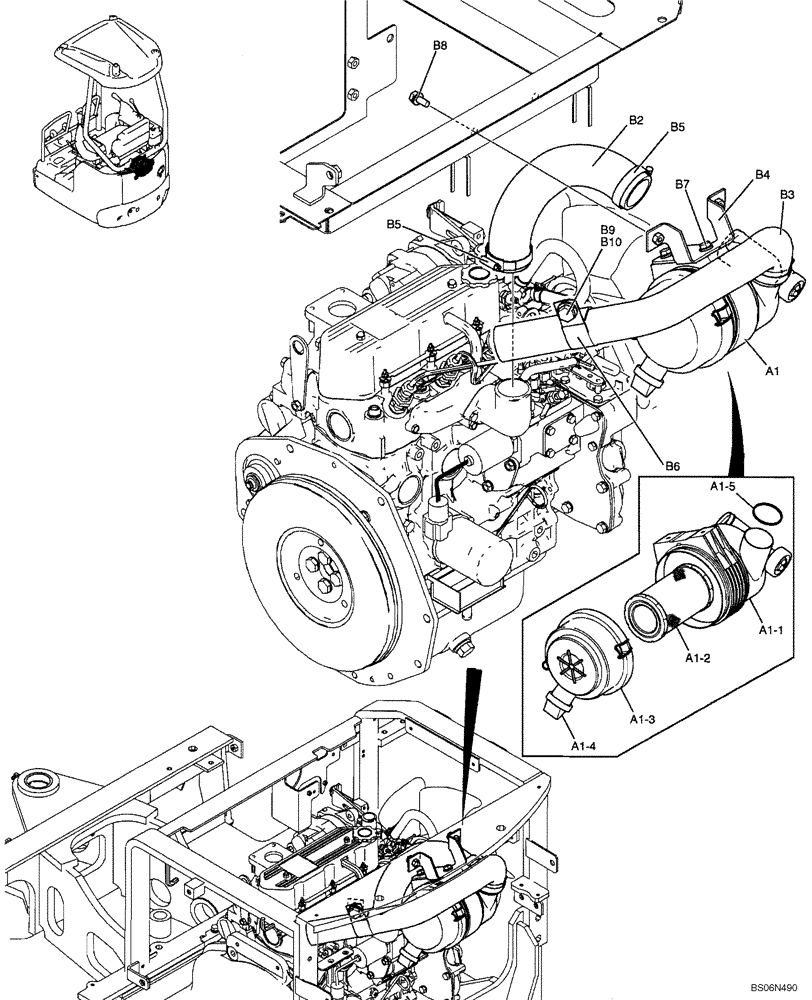
a1-3
a1-2
b5
b9
a1-4
a1
b3
a1-1
b8
b7
b5
b10
a1-5
b6
b4
b2
FIT
1:1
100%

Артикул

Название

Примечание

Количество

PU11P00006F1

Air Cleaner Assy (PU11P00006F1)

1шт.

a1

PU11P00005F1

AIR CLEANER

Cleaner, Air

1шт.

a1-1

PU11P00005S001

Body

1шт.

a1-2

PM11P00006S002

ELEMENT

1шт.

a1-3

PM11P00006S003

COVER ASSY

1шт.

a1-4

2446U242S4

VALVE

1шт.

a1-5

PM11P00006S005

O-RING

1шт.

PU11P00002F1

Cleaner Assy, Air

1шт.

b2

PU11P01005P1

HOSE

Hose, Air

1шт.

b3

PU11P01006P1

HOSE

Hose, Air

1шт.

b4

PU11P01007P1

BRACKET

Bracket

1шт.

b5

ZC16X05000

CLIP

3шт.

b6

ZC46X46014

CLIP

1шт.

b7

ZM73C08020

BOLT,M8x20mm - Course Thread

Bolt

2шт.

b8

PA03M01093D2

BOLT

2шт.

b9

ZS18C12020

SCREW,Hex, M12 x 20mm

1шт.

b10

ZW16H12000

WASHER

1шт.

Выбрано товаров: 17